Paso 1: pantalla



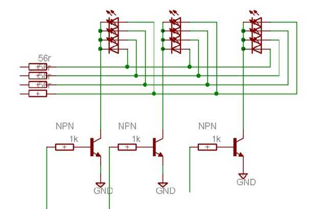
El multiplex de LED es sencillo. Filas (4) conectan a los pines del PIC a través de resistencias de limitación actuales. Sólo una resistencia limitadora actual se utiliza para cada fila ya sola por fila es siempre iluminarse. Los LEDs funcionan a 20ma, utilizando resistencias de 56 ohm (ohm 56 @ 3 voltios = 20ma). Los LEDs se podían ejecutar mayor porque ellos son multiplexados, la hoja de datos aparece algo alrededor de 40ma. Me parece que sean demasiado brillante en solo multiplexado de 20ma.
Columnas (3) están conectadas a tierra por los transistores NPN. Los transistores se cambian por los pines PIC a través de resistencias de 1Kohm. Funciones multiplexores por tierra una columna de LEDs mediante el transistor mientras las filas de LED correcto para esa columna de iluminación. Esto se repite para cada columna en corta sucesión, haciendo que la matriz parece estar encendido continuamente. Timer0 PIC es unidades multiplex. Cuenta a 256 y cambios de la fila los valores y la columna de conexión a tierra.
Transistor:
NPN Transistor, NPN / 32V / 100mA, (Mouser #512-BCW60D $0,05).