Paso 8: Solucionar el problema del rectificador de media onda









¿Es eso malo?
Bueno, sí. Como su nombre indica, rectificación de media onda utiliza sólo una mitad de la onda de AC y bloques la otra mitad. Transformadores de potencia son realmente diseñados para ser cargado simétricamente. El campo de flujo se derrumba como un pico cae, y el transformador cuenta con una carga igual--y una cantidad igual de fuerza magnética desde el pico complementario. Sin una carga en la mitad del ciclo, el colapso del campo hace que el núcleo del transformador se sature mucho más rápidamente que normal. Que pone a una tensión de "de pie" en el transformador. El N-68 X, siendo un pequeño transformador, no está diseñado para manejar esto.
Rectificación de media onda no es absolutamente tan gran cosa en su casa "red." El consumo de corriente es pequeño en comparación con la corriente disponible. La asimetría resultante sólo cambia la forma de onda total marginalmente. Pero incluso eso podría ser suficiente para crear ruido en otros dispositivos...
Cuando primero lo instalé, probé a usar el X N-68 con el circuito, como-es. Pero inmediatamente llegó a ser obvio que el transformador se convirtió demasiado caliente, considerando un consumo de corriente de menos de 30 vatios.
Resolver el problema
Un transformador de aislamiento más grande podría anular el problema, pero cuando se utiliza el N68X la mejor solución es rectificar dos veces --una vez con un rectificador de estado sólido puente para cambiar de puesto la tensión negativa en positiva; luego rectificar otra vez con el tubo 35W4. Eliminará nuestra asimetría, ya que no habrá ningún voltajes negativos para el rectificador de tubo bloquear.
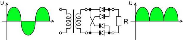
Ver la quinta ilustración para esta técnica de "combinación"... Tenga en cuenta que la salida de la combinación es de onda completa , a pesar de pasar por un puente de diodos solo después del puente. Así que es más actual potencial para que el circuito del amplificador que antes. Además de que es probablemente más tranquilo, también.
Y tenga en cuenta que la tensión de pico del rectificador de tubo (diodo) es menor que el puente de estado sólido. Tenga en cuenta también que rectificación de media onda necesita no hacer con un diodo de tubo, una función de estado sólido diodo "igual" para esta aplicación.
Dónde colocar el puente de SS
Hay dos buenas opciones:
La opción A ) entre el transformador de aislamiento y el circuito amplificador completo. Desde AC rectificada (pulso DC) tiene el mismo potencial como regular RMS CA, el voltaje total no cambia.
Si los filamentos fueron alimentados estado sólido rectificado y filtrado el voltaje sería demasiado alto, porque el voltaje total acercaría a la tensión de pico, en lugar de ser un promedio. Y dejaría de los filamentos. Sin embargo, las tapas de los filtrantes vienen después del rectificador del tubo, por lo no es un problema.
Además, el rectificador de SS podría ser montado en el módulo de iso. Puesto que no hacerlo al principio, la coloqué en el chasis.
Opción B ) después de los filamentos y alimentación del rectificador de tubo sólo (sólo las partes de la C.C. de la amp causan asimetría). Esto debería funcionar bien. Pero también es necesario volver a cablear un poco más.
Elegí la primera opción...
¿Por qué incluir el rectificador de tubo en todos?
El puente produce toda la corriente rectificada el amplificador necesita... ¿por qué mantener la 35W4?
--Dejar la 35W4 mantendrá los voltajes de C.C. de pico en un nivel más bajo que el puente de SS más eficiente por sí mismo. 5 50 tubo de potencia no se diseñó para placa voltajes mucho mayores 120V. Puesto que la tensión de pico es mayor de lo que es el valor RMS, circuitos de rectificación tienden a la salida una tensión mayor (teóricamente 1,414 veces mayor que el RMS.) Pero como se indicó anteriormente, los diodos de tubo son menos eficientes.
--Todos los filamentos del tubo todavía están conectados en serie, para quitar la 35W4 habría creado un nuevo problema: cómo la gota de la tensión en la secuencia de la serie de filamentos (los dos tubos restantes) por un adicional 35V.
Dejando el tubo 35W4 en lugar soluciona tanto estos temas.
Necesidad de
¿Es todo este absolutamente necesario? Bueno, con un transformador de aislamiento lo suficientemente grande, tal vez no.
100 o nominal transformador 150VA con seguridad podría ocuparse de cuestiones de media-onda para un < amplificador de 50 vatios, diría.