Paso 11: Potencia amplificador etapa






"Single-ended" significa conducir el transformador de salida de un lado solamente en contraste con una configuración "Push-Pull", en el que poder tubos conduce el transformador en ambos extremos (con la corriente que fluye de un grifo de centro.) Push-pull es más eficiente, pero es más complejo, la señal de audio a un tubo debe tener un gemelo "espejado", o invertir la señal para el otro tubo. Por lo tanto el nombre de "push-pull". Requiere una etapa de "inversor de fase", una complicación es necesaria.
Y existen limitaciones a la clase A. Es un poco más difícil de obtener el volumen máximo de un diseño "clásico clase A" (balanceado, cátodo diagonal, etc.) de un amplificador de clase AB o en clase B, sin embargo.
Una forma de aumentar el volumen, pero mantener la topología asimétrica simple es agregar un segundo tubo en paralelo con el primero. Una vez más, esto no es tan fuerte como una configuración de 2 tubos PP, pero es más simple. También es más fácil mantener un amplificador solo en "Territorio de clase A".
Históricamente, hay algunos amplificadores comerciales que utilizan la configuración paralelo SE--el GA9 Gibson y el "Gibsonette", a nombre de dos. Junto con el enlace de Angela (ver: ¿Cómo empezar este proyecto?) fueron fuente de inspiración.
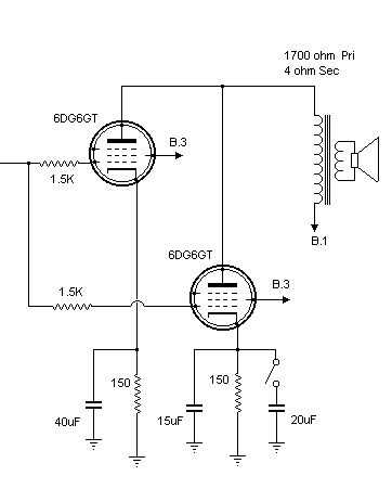
Tenga en cuenta que las placas son simplemente conectadas en el primario del transformador de salida. Es así de fácil.
Resistores de rejilla tapón fueron agregados, simplemente porque están en el proyecto de Angela y los viejos esquemas de Gibson, también. Aunque la Gibson planea generalmente tenían un solo (me pregunto si los resultados de cierta asimetría adicional). ¿Es la fuente de oscilación interacción entre los dos tubos, tapón de tan sólo una rejilla es necesaria?
Hay más capacidad de derivación de cátodo que normalmente cuidan. Quería un sonido muy gordo. Sin duda tengo lo que yo quería.
Nota el cátodo puente interruptor en la tapa. Una alternativa atractiva: cambiar las tapas de los hard-wired de 40uF y 15uF a 10uF para cada uno. Ponga el interruptor en un extra 15uF en ambos con un interruptor DPST.
Los resistores del cátodo-sesgo se deben potencia de 5 vatios.
De polarización
Se trata de una configuración de clase A estándar parcial de cátodo. Mi voltaje de "bias" es un poco menos (sesgo "caliente") que se observa en las hojas de datos. Aquí es una resistencia de 150 ohmios polarización.
Las hojas de datos recomiendan 180 ohm para 200V, aunque una hoja de datos había utilizado 160 ohmios. Quedo con 150 ohmios por ahora. No hay ninguna señal de la galjanoplastia roja o cualquier otro problema. Si disminuye considerablemente la vida de los tubos de alimentación, la cambiaré a 180 ohms...
Resistencia de carga basada en la hoja de datos
Tubos de potencia tienen una característica llamada "resistencia de la carga" que especifica una impedancia del transformador de salida recomendada. La resistencia de carga se encuentra en la hoja de datos:
Voltaje de 6DG6GT resistencia de la carga de :
110V : 2000 (ohmios)
200V : 4000
(Otra vez, disculpen el formato perdido.)
B.1 tensión cerca de 190V, se recomienda una resistencia de carga alrededor de 3666 ohmios. Sin embargo, este valor es para un tubo.
Resistencia de carga para dos tubos es la mitad del valor de uno, o unos 1833 ohmios. Este es el valor teórico de la impedancia primaria para nuestro transformador de salida.
Nota: esto es una estimación, basada en la hoja de datos. En el siguiente paso, realmente encontraremos la resistencia de carga matemáticamente...
Potencia de salida máxima
(Las resistencias de carga discutidas aquí son para un tubo, ya que este proyecto utiliza dos, entonces 1/2 estos valores son equivalentes dentro del circuito.)
Originalmente estiman la potencia de las hojas de datos como watts aprox. 7 +. Pero los valores de ejemplo en las hojas de datos de amplificadores de Cortés , donde precisa fidelidad de sonido es más importante que volumen. Pero la guitarra amperios necesita distorsión, para que éste empuje bastante duro.
Así que vamos a mirar la resistencia de carga vs tabla de salida de energía. La línea roja representa la resistencia de carga, en algún lugar cerca de 3500 ohmios (Recuerde, para dos tubos, que es de 1700 ohms.) Donde la línea roja cruza la curva deo P es la potencia de salida.
Para un amplificador de "conducido", la salida máxima es cerca de 4,4 vatios. De hecho, cualquier resistencia de carga valores entre 2600 y 6000 ohms supere los 4 vatios por el tubo. Estos valores dependen de una señal alta de p -p, un sesgo decente y una tensión de placa de 200v.
Estamos en 190V, así va a ser un poco menos de la tabla. Realmente no sabemos la salida de p a p de la etapa de preamplificación, pero el preamplificador es definitivamente alta ganancia. Y estamos corriendo la etapa de potencia con un sesgo "caliente"...
Nunca lo sabremos con certeza a menos que es probado por el Banco, pero sospecho que este amplificador está funcionando por encima de 4 w por tubo, total más de 8 vatios. Es decir se trata de un amplificador de 8 Watts .