Paso 2: Electrónica - circuitos y las tiras de Neopixel













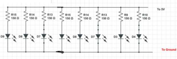
El primer paso para la electrónica estaba haciendo los anillos LED 20. El diagrama del circuito se muestra en la imagen 1. Los LED son de 20 mA de LED y la fuente de alimentación es de 5 volts. Los diferentes anillos de LED disminuyó tensiones diferentes a través de ellas, por lo que cada color LED necesita un valor de resistencia diferentes para obtener la misma corriente atraviesa cada anillo. Los anillos terminados pueden verse en imágenes 2, 3.
Después de esto, conectamos los aspectos positivos de los diez circuitos de LED en un protoboard, que entonces fue conectado a la regleta. Hicimos esto para ambas partes. Los motivos de los diez anillos fueron luego conectados entre sí y luego conectados a un lado de un transistor Darlington. El lado correspondiente del Darlington resistencia fue entonces conecta a 5 voltios pasador en el Arduino, por lo que los anillos LED sería sólo enciende cuando se suministra 5 voltios. Un botón fue conectado al Arduino para controlar esto, para que los anillos de LED se pueden encender y apagar. La tierra de lo Darlington fue conectada a la tierra de la fuente de alimentación. El esquema del circuito es imagen 4.
El interruptor giratorio fue atado con alambre usando divisores del voltaje con el Arduino, y el voltaje hacia fuera fue leer en el Arduino. Dependiendo del ajuste del interruptor rotatorio, el voltaje leído sería diferente, y el Arduino sería luego entre los programas para la Neopixels. Dos botones adicionales fueron conectados a Arduino, y cuando se presiona el Arduino iterar la puntuación. El esquema del circuito es la imagen 5. Imagen 6 es la tira de la energía y el protoboard. Imagen 7 es anillos de LED de la tabla y por cable a la placa de potencia tira y pan. Imagen 8 es el cableado de Arduino.
Para mantener la puntuación, la puntuación se muestra como texto en el las tiras de Neopixel. Para el cableado, cuando se presiona el botón, la puntuación de ese lado incremente en 1 hasta diez, y una vez que un equipo de 10 puntos (todos diez tazas golpeó) mostraría un mensaje ganador, como se ve en imágenes 9 y 10. La pantalla de puntuación se muestra en la figura 11.
Las tiras de Neopixel eran realmente mucho más fáciles que los anillos de LED para construir. Las tiras de 8 fueron conectadas en una línea larga. Entonces, la primera tira fue conectada a la fuente de alimentación y tierra. Luego, las tiras de Neopixel fueron conectadas con el Arduino por un solo un Pin Digital, que podría utilizarse para controlar cada LED individual en las tiras. Esta configuración puede verse en la imagen. Los anillos de LED y Neopixels se demuestra en imágenes 9,10,11,12 (imagen 12 es antes de todos los anillos de LED en las cubiertas).
Para la reactividad Sonida, un micrófono fue atado con alambre en el análogo de Arduino en Puerto. Es alimentado por 5 voltios formulario de Arduino. El micrófono es imagen 13. La codificación se describe en el siguiente paso.