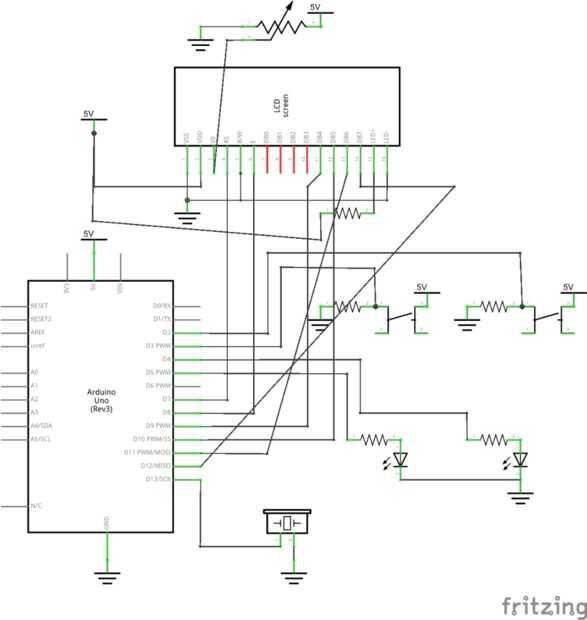
Paso 4: Conectar la pantalla LCD con Arduino








Una pantalla de cristal líquido es una de las partes principales de este proyecto ya que este es el lugar donde se mostrará todo, desde el tiempo que queda para ajustar el temporizador. Así que sin una pantalla, este proyecto simplemente sería inútil. Ahora hay varios tipos de pantallas-particularmente LCDs y LEDs, gustaría mencionar que este proyecto sólo aborda el estándar 16 x 2 pantalla LCD con 16 pines y compatible con arduino. Así que incluso si estás usando una arboleda LCD (uno con cuatro clavijas) en este proyecto, trabajaría con la misma conexión y el código. Usted tendrá que modificar completamente el código para funcione.
Para tu LCD, conecte según la siguientes. Tenga en cuenta que según estas conexiones, la luz de fondo siempre en el. Usted puede modificarlo según su opción si no desea que la luz de fondo siempre en.
- Pin 1 (Vss) en el LCD a Arduino Gnd
- Pin 2 (Vcc) en la pantalla LCD a 5v de Arduino
- PIN 3 (EEV) en la LCD al Preset de 10K o Pin potenciómetro 2 (medio)
- Pin 4 (Rss) en la pantalla LCD para Arduino Digital 7
- Pin 5 (R/W) en la LCD a Arduino Gnd
- PIN 6 (E) en la pantalla LCD para Arduino Digital 8
- PIN 11 (DB4) en la pantalla LCD para Arduino Digital 9
- Pin 12 (BD5) en la pantalla LCD para Arduino Digital 10
- PIN 13 (DB6) en la pantalla LCD para Arduino Digital 11
- PIN 14 (DB7) en la pantalla LCD para Arduino Digital 12
- PIN 15 (LED +) en la pantalla LCD a 5v de Arduino con resistencia de 100 ohm
- Pin 16 (LED-) en la LCD a Arduino Gnd
- Pin 1 (izquierda) en el Preset o potenciómetro a Arduino Gnd
- Pin 2 (derecha) en el Preset o potenciómetro de 5v de Arduino
Por último, pegar la pantalla LCD en el gabinete de tal manera que la pantalla sea visible desde el exterior.