Paso 6: Añadir LEDs indicadores






Estos tienen uso adecuado sin son simplemente a hacer un poco mejor el proyecto. El primer LED verde se ilumina cuando el temporizador está pasando mientras que el segundo o el rojo uno se ilumina cuando el tiempo. Esto ayuda el proyecto para dar señales visuales junto con el audio.
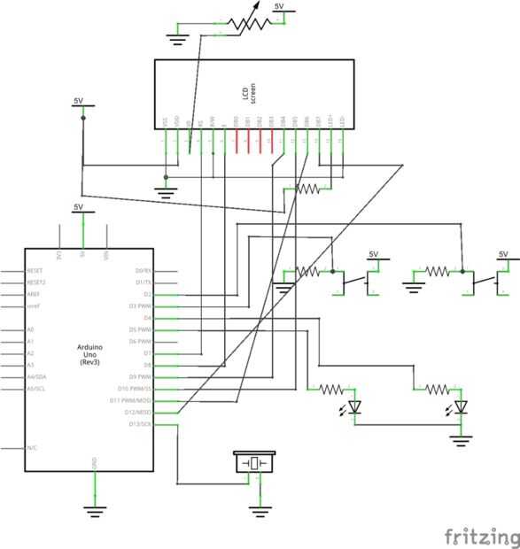
Conecte ambos los LEDs según el siguiente. Los colores recomendados son el rojo y verde pero no es obligatorio usarlos. Incluso puede omitir la adición de los LEDs. Se necesita una resistencia de 330 ohm para cada LED otra cosa puede quemar.
LED 1 (verde):
- Positivo a Arduino Digital 4
- Negativos a través de la resistencia de 330 ohm a Arduino Gnd
LED 2 (rojo):
- Positivo a Arduino Digital 5
- Negativos a través de la resistencia de 330 ohm a Arduino Gnd
Por último, pegar ambos los LEDs en el recinto en sus posiciones apropiadas.