Paso 15: Paso por cero: un poco de teoría








Aunque ya describí el zerocrossing, dedico unas palabras más en él.
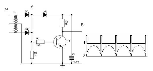
Con el 'puente y opto-acoplador' el circuito que usé en este proyecto, el principio es muy claro: una tensión de red AC pasa a través de 2 resistencias de 33k y es rectificada por el puente de diodos.
Este resultado de la rectificación en un voltaje DC pulsante que mantiene el optoacoplador abierto, manteniendo la zerocrossing señal baja hasta que el voltaje cae a 'cero' en qué momento el optoacoplador no estará en la señal de zerocrossing y conducción ya se tira alto, hasta que el voltaje se levanta otra vez suficiente para enviar el optoacoplador en conducción, dando como resultado el ir de pin de zerocrossing baja.
La 'calidad' de ese pulso de zerocrossing es por supuesto dependiendo de una serie de factores, pero principalmente en la velocidad del optoacoplador, el valor de la resistencia de colector, pero no en lo más mínimo en el valor de las dos resistencias en la línea de la red.
Si ese valor es demasiado bajo, el optoacoplador se quemará, pero si es demasiado alta, el voltaje en el que todavía hay suficiente corriente pasando por el optoacoplador que le llevar a cabo se convierte en mayor y mayor. Eso significa que si el valor de la resistencia es demasiado alto, la conmutación del optoacoplador ocurrirá más en el flanco ascendente y descendente de la ola de pecado, lo que resulta en una señal de gran zerocrossing, que comienza antes de la zerocrossing real hasta el camino después de la zerocrossing.
Ergo: El valor de resistencia debe ser tan bajo como sea posible. En la práctica sin embargo encontré 2 x 33 k para ser un buen valor, conduce a un pulso a partir de abt 200uS antes de la zerocrossing real. Es muy aceptable. La corriente a través del 4N25 es aproximadamente 3,33 mA. Seguramente podríamos tener un nivel superior, pero no es necesario. Con estos valores el uso ocioso de este circuito es un Estimado 0,7 vatios
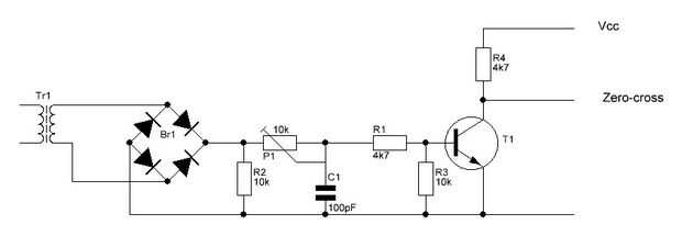
En realidad, lo mismo pasa con el circuito con el H11AA1. La ventaja de la H11AA1 es que uno no necesita un puente de diodos ya que tiene dos diodos antiparalelos. Lo mismo pasa con la serie de IL250 o el LTV814
Uno puede alcanzar el mismo efecto con dos optoacopladores regulares como el 4N25, como se muestra en la figura o con un optoacoplador doble.
I también se proporciona un circuito en el que se puede regular el ancho del pulso zerocrossing.
Como dijeron antes, la anchura de la señal de Zerocrossing determina cuánto antes de la zerocrossing real se genera la interrupción. Idealmente, si sabes qué tan amplia es la señal de zerocrossing, usted podría considerar en el software. Supongamos que su señal es 600uS amplia y Supongamos que es un momento uniformemente dividida. A continuación, usted sabe que su interrupción se genere unos 300uS antes de la Zerocrossing real. Usted podría esperar después de cada interrupción para obtener un manejo más preciso de la zerocrossing