Paso 19: Medición de resistencia de suelo alternativos






Algunas cosas de la tecnología sobre la humedad del suelo
Cuando se utiliza una medida como la aquí, usted está midiendo resistencia o conductividad, dependiendo de cómo quieres lucir en él.
Conductividad de hecho no es la mejor manera de medir la humedad del suelo como agua no es un buen conductor, lo realmente miden es la cantidad de iones disueltos en la cama de la planta. Un suelo no muy húmedo con una gran cantidad de iones puede dar una lectura mayor de conductividad de un suelo húmedo con menos iones.
Sus iones por supuesto es una cosa útil que también da información sobre si el suelo se agota y si tal vez es hora de agregar fertilizante.
Measureing capacitivo
Si desea una medida más confiable de la humedad de la tierra, entonces una medición capacitiva es más confiable: agua influye en el dieléctrico de un condensador mucho más que hacen de los iones.
Un condensador en el suelo suena como tener dos placas de metal en el suelo en el que el suelo entre ellos es el dieléctrico. Que es ciertamente posible, pero también es posible que las placas del condensador al lado del otro en lugar de uno frente al otro. Abre el camino para grabar en un trozo de PCB. Obviamente las placas están aisladas del suelo, de lo contrario usted sólo ser midiendo conductividad/resistencia otra vez. Tiene la ventaja añadida de que no habrá ninguna corrosión del suelo.
Así que una vez que tengas que configurar, hay dos maneras de medir: sólo usted podría medir la capacidad de su condensador de suelo diy, como el arduino es perfectamente capaz de hacerlo. El problema es si tienes un cable que va desde que el sensor a tu arduino, que es en realidad una capacidad perdida que usted está midiendo así. La forma que se coloca el cable puede influir en su lectura como alguien acercándose a su cable. Usando coaxial ayudarán, pero todavía es mejor hacer la medición cerca de su condensador de bricolaje.
Otra forma es utilizar ese condensador en un circuito cuya señal de salida depende del valor de su condensador, como un oscilador controlado del condensador. Esto puede hacerse con un disparador de Schmitt, como se muestra en la foto de arriba.
La frecuencia de este oscilador es:
f=1.2/(RxC)
Una cantidad cambiante de agua en el suelo afectará el dieléctrico del condensador y por lo tanto el valor del capacitor y, por tanto, la frecuencia que sale del oscilador. Esta frecuencia puede medirse por el arduino con la biblioteca mide frecuencia de Arduino.
El valor de la resistencia depende de su situación. Elija uno que le da un buen rango de su frecuencia. La biblioteca Arduino compatible frequncies a 8MHz.
Si el condensador 10nF y su resistencia 100kOhm, la frecuencia sería de 1200 Hz. Usted encontrará una calculadora aquí.
El archivo FreqCounter.cpp está codificado para pin digital 5 como entrada y utiliza ambas interrupciones del temporizador T1 y T2
Si usted elige utilizar capacitivas de medición de la humedad, en lugar de utilizar las bibliotecas de contador de frecuencia diferentes, también puede utilizar 'PulseIn'. Una función de ejemplo de cómo hacerlo puede ser encontrada abajo. También hice un completo instructivo en un sensor capacitivo legible de I2C.
Medición de la resistencia
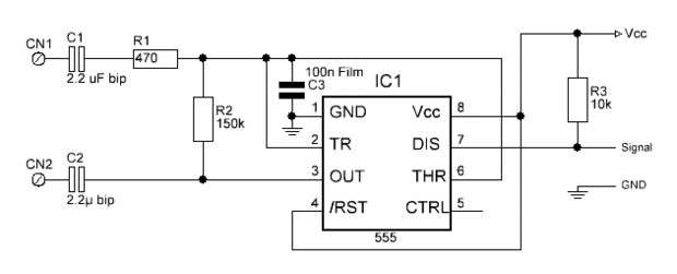
Medición de resistencia es uno de los métodos más fáciles. Yo anteriormente ya discutido sólo pegarse dos barras en el suelo y medir el valor de ADC en el puerto analógico. Sin embargo, cuando se hace con la DC, las varillas se deteriorarán rápido debido a la electrólisis. Una manera de evitar que es usar corriente alterna. El circuito presentado con el '555' establece que o al menos lo imita. La señal de salida es una frecuencia que depende de la resistencia del sensor.
La alimentación puede ser como 3,5 voltios y tan arriba como 15 voltios, 5 voltios de Arduino es perfecto. El temporizador CMOS LMC555 funciona en su modo de retroalimentación directa, con una onda cuadrada de salida del pin 3 de carga o descarga del condensador de la película de 0.1 μF a través de los resistores fijos en serie/paralelo con el conductoras sondas de detección.
Los condensadores no polares de 2,2 uf en serie con las puntas de prueba aseguran que incluso las corrientes de salida nivel bajo de la viruta del CMOS no fluyen a través de las sondas. Los condensadores, uno a cada lado de las puntas de prueba, también aseguran que este circuito está galvánicamente aislado de otros sensores que pueden estar en el mismo ambiente acuoso.
R1 y R2 limitan el rango en caso de cortocircuito o suelo muy seco. R2 también tiene otra función, como descargas cualquier leve DC se acumulan sobre los condensadores en serie con la sonda que podría hacer que el oscilador deje de.
La frecuencia de salida se transmite desde el pin de salida de colector abierto DIS en el 555. Este pin está sincronizado con la salida y produce una onda cuadrada cuya frecuencia/anchura de impulso puede ser medida por el Arduino (por ejemplo, a través de una interrupción de temporizador o a través de 'PulseIn'). R3 es necesario puesto que el pin DIS (descarga) de la 555 es un colector abierto.
Como la corriente consumida por el circuito 555 temporizador varía linealmente proporcional a la frecuencia de oscilación debido a los ciclos de carga y descarga del condensador de temporización, la fuente de corriente puede utilizarse como una señal analógica, para enviar a un convertidor analógico a digital. Por lo tanto una resistencia de 1 k se puede poner en uno de la fuente de líneas (típicamente el Grnd) la corriente desarrolla un voltaje en la resistencia de 1kohm, dar una señal de voltaje, si lo desea.
La foto de arriba muestra una función para medir la frecuencia (de hecho, la anchura de impulso). El programa siguiente hace lo mismo.
Utilizar valor de Estados Unidos de 500 000 en lugar de 1 000 000 nos (= 1 segundo) para la división, ya que quiero obtener el período de la señal (T), no length(tpulse) de pulso. Con ciclo de deber del 50%, T = 2 * tpulse. Sin embargo, a menos que usted está interesado en la frecuencia verdadera, no importa para la determinación de la humedad del suelo
Por supuesto el programa anterior es sólo una prueba de programa de prueba de concepto: no estamos interesados en frecuencias específicas, sino en diferencias en períodos de frecuencias. Es necesario determinar para su suelo lo que la correcta sincronización y frecuencia es que necesitan agua o no e incorporar en su programa de la misma manera como anteriormente habría hecho tan fr el divisor de voltaje de la sonda en un puerto analógico. Es posible utilizar el medidor por A1 para establecer un nivel de, por ejemplo, mediante la asignación a su gama de frecuencia, o con algunos si o caso declaraciones.
Para dar una impresión, he probado en mi sistema (puntas de prueba con distancia de aproximadamente 6 cm, en llamada de Mel Mix) una lectura algo húmeda era 3kHz, mientras que un suelo húmedo dio 10kHz