Paso 2: El escudo... los principios







Corte una sección de la tira Junta 24 largo y 8 ancho, con las cintas de correr caminos de longitud. (cuchillo del exacto)
Cortar dos conjuntos de jefes masculinos, 5 pernos largo cada una.
Un conjunto de cabeceras deban compensarse, utilicé el método que se muestra en la shield arduino fácil. el plástico es fundido con el soldador y pernos se mueven en su lugar.
Los jefes también están conectados de una manera interesante - al final hay un pequeño tutorial sobre eso
Colocar un conjunto de encabezados en las clavijas de salida de un arduino uno (9-13)
Colocar los encabezados de offset en el riel de alimentación con el desvío hacia el puerto usb en el arduino, restablecer en un extremo y los pines de gnd en los otros.
Coloque la tira de placa perforada sobre ellos, con los pines io justo en el borde de la Junta, por lo que el extra del carril en el lado opuesto se puede utilizar para el carril de tierra. retirar y soldarlos en el lugar.
En la imagen por encima de la barra inferior es los pernos de 9-13, y la barra superior es el tren de potencia.
Este es el tamaño recomendado pero hacer cambios para adaptarse a sus propósitos.
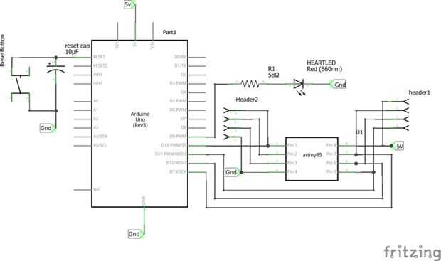
Si tuviera que hacer este i cambiaría muchas cosas como no realmente creo que muy bien. Sin embargo haré un breve cubrir de la manera que lo hice pero heres las conexiones que necesita.
-pin 9 a un "latido" LED (opcional)
-pin 10 a attiny pin 1
4:49
5:48
6:47
-5v al pin 8 (vcc)
-gnd al pin 4 (Gnd)
-cap de 10uf entre reset y 5v
Botón reset, GND y cabeceras junto a arduino también son opcionales pero encabezados son necesarios para el paso siguiente por lo que les recomiendo
EN MI DIAGRAMA
- verde X se corta camino de placa perforada
- amarillo son datos, led/resistor y pulsar el botón
- azules son encabezados y zócalo
- Se olvidó de indicar condensador...
- rojo-vcc
- gnd negro
COMPONENTES
- condensador 10 uf
- LED y el resistor correspondiente 5v
- botón pulsador momentáneo
- cabeceras de femeninas y masculinas
- zócalo del IC
Si quieres seguir mi diagrama exacto seguir adelante pero no lo recomiendo, he incluido una vista aérea y si necesitas cualquier otra cosa comenten y tratan mal ayuda lo mejor que puedo. Me han incluido un esquema y hacer una imagen de fritzing. Ahora para los otros pedacitos...