Paso 2: TLC7528 Resumen



El diagrama de pines que se muestra arriba viene directamente de la hoja de datos de la DAC TLC7528. Como describí en el último paso, el TLC7528 tiene 8 entradas de datos paralelo, etiquetadas DB0-DB7; estos pernos se conectarán directamente a los pines digitales 0-7 de Arduino. El TLC7528 es un chip interesante porque realmente tiene dos salidas (llamado DACA y DACB), ambos conectados a los mismos pines de entrada digitales 8. Usted puede seleccionar que la salida que desea utilizar por el perno de ajuste 6 alta o baja (baja salidas salidas alta al DACB y DACA). Los pines 15 y 16 se utilizan para controlar las salidas de la DAC, así, voy a explicar más en pasos posteriores.
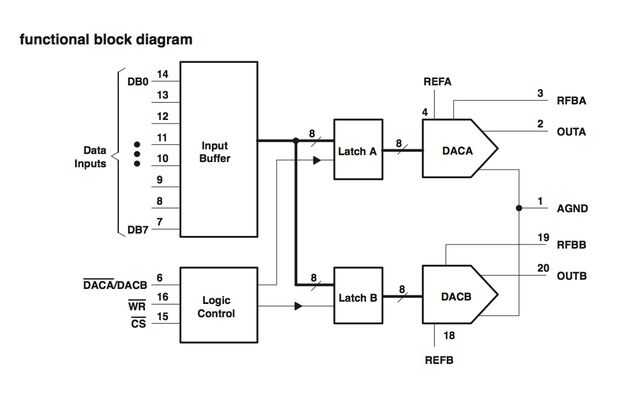
La Fig 2 muestra un diagrama de bloques funcional de la viruta. Una vez más, observe las entradas de datos, los controles de lógica y dos salidas separadas de la DAC. Hay muchas formas de configurar este CAD dependiendo de lo que está tratando de hacer con él, usted puede leer más acerca de éstos en la hoja de datos de TLC7528. Fig 3 muestra cómo configurar el CAD en modo voltaje. En esta configuración, la salida analógica de la DAC será pines REFA y REFB y los pines etiquetados OUTA y número se conectará a un voltaje de entrada fijo (yo usé la tensión de alimentación de 5V). En el siguiente paso te voy a mostrar cómo configurar esto en un protoboard.