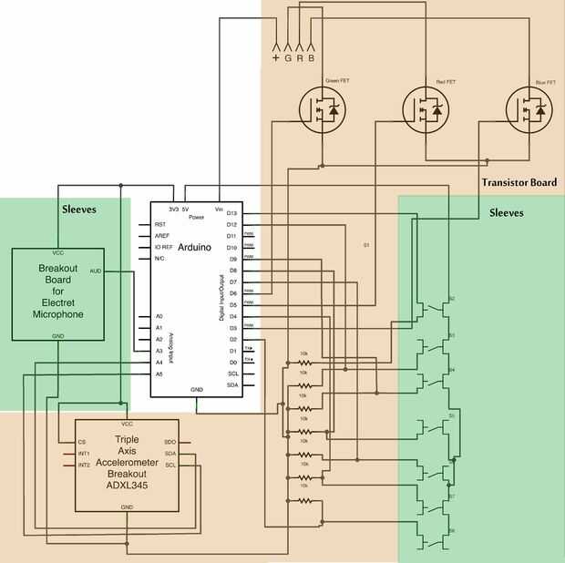
Paso 6: Hacer el tablero de Transistor
¿


No te preocupes. Es medio no tan complicado como parece. Realmente, usted está simplemente soldadura abajo 3 transistores (eso 9 puntos de soldadura), un acelerómetro (6 más puntos de soldadura) y luego poner en orden el desorden de los cables que tienes en la capa de recogerlas todas aquí. Parece un lío porque esta tabla es donde confluyen todas las tendencias de diferentes cables de más pormenorizada. Esto es donde usted limpiar.
- - - - - - - - - - - - - - - - - - - - - - - - - - - - - - - - -
Las luces de la capa son expulsadas de un tablero de transistores: aunque podemos poder nuevos Arduinos directamente de una batería de 12 voltios, aún no podemos tirar el amperaje necesario para que funcione yardas de tiras de LED a través de arduino sin cocinarla. Por lo que la ruta los tres pines de Arduino que impulsan los LEDs a un transistor para controlar la batería -> sistema de alimentación de la tira de la luz.
Tiras de la misma manera que el Arduino no puede manejar que mucho amperaje, un transistor 2N2222 diaria va a cocinar, si usted intenta y correr la luz a través de él. Utilizamos transistores "MOSFET de RFP30N06L", que pueden manejar el poder y la temperatura de funcionamiento mientras lo hace.
- - - - - - - - - - - - - - - - - - - - - - - - - - - - - - - - -
Esto también es el momento de utilizar cables para los botones y poder. Pase los cables del botón hacia abajo de las mangas a los botones y conectarlos. Las pilas descansan en los bolsillos de la capa interna y se conectan a los transistores. Utilizan baterías de 12 voltios recargable, corte un extremo de los cables de conector de barril que vinieron con ellos para obtener cables y nos podríamos soldar entre sí (paralelamente las baterías) y luego a la Junta. 2 paquetes de batería dieron suficiente vida para ejecutar la capa de Schuyler durante horas, 4 baterías para la capa de Carl.
- - - - - - - - - - - - - - - - - - - - - - - - - - - - - - - - -
Nos pareció útil para los paquetes de hilo más grandes para alimentación y las señales de la trenza. La distinción visual hace más fácil hacer un seguimiento de, y la trenza ofrece un poco de absorción de tensión.