Paso 5: Arduino: sensores de nivel de agua





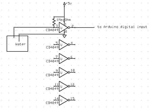
Para detectar el nivel del agua necesita 2 cables y un inversor hex. Puesto que usted ya tiene una pantalla LCD en su protoboard, colocar el inversor hex por lo que no interfiere con la pantalla LCD es el aspecto más difícil de esto. Se puede ver un diagrama de cómo conectar el inversor hex anterior.
Uno de los cables de dos nivel de agua es y va a la parte inferior de la botella de plástico, tocar la botella. El otro cable es la entrada que va al otro lado del inversor hex (cerca del tuerca hexagonal) de la resistencia de 1MΩ. El segundo pin debe ir a cualquier arduino digital de datos de entrada le seleccionada (aquí elegimos "7"). El primer pin va a más en el arduino. El último pin va a menos. Si quieres sentir más los niveles de agua, puede utilizar clavijas adicionales. Sólo queríamos sentido cuando el agua estaba casi vacío la posibilidad de parar o arrancar la bomba.
La imagen representa una prueba con un vaso pequeño de agua (y un circuito separado que el original a la izquierda).
En este caso 5V o alta indica contacto con el agua. Bajo indica que no hay agua. El sensor es suficientemente sensible para detectar la humedad de la piel como "alto".
Idealmente, la detección de nivel de agua funcionará con la configuración de la bomba en la primera botella, y no con la luz en la segunda botella. Encontramos que cuando los cables están en la botella con la UV luz que hubo interferencia significativa en el arduino mientras que la luz estaba en. Si no piensa en la aplicación de la bomba y la primera botella, omitir esto, a menos que usted quiere encontrar una forma de evitar la interferencia (todo funciona excepto la arduino LCD pantalla cuando se produce la interferencia).
La manera que imaginaba originalmente se trataba de que el arduino sentido cuando no había agua a la izquierda en la primera botella, cerrar la bomba y después de un pequeño retraso de encender la luz en la segunda botella durante algún tiempo. Si usted sólo está planeando sobre el uso de la luz y una botella del sensor de nivel de agua por lo tanto no es necesario.