Paso 2: Diseño



En cuanto a potencia: es la forma más fácil para alimentar el circuito con 2 pilas de 9V. Para alimentar sus op-amps-9V a 9V de la energía, conectar una batería de la manera correcta y uno hacia atrás. Es decir, conectar el positivo de una batería a su línea de alimentación positivo y su liderazgo negativo a GND (tierra). Con la otra batería, conecte su positivo a GND y su negativa a la línea de alimentación negativa. Para "fijar" toma de tierra, eventualmente se conectará un electrodo de la pierna directamente a la línea de tierra. Esto asegurará que "0V" es la tensión de la pierna (inafectado por cualquier actividad principal), y que todas las lecturas varían desde allí.
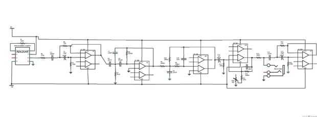
El mayor objetivo del diseño de este circuito es para obtener los datos, entonces reducir el ruido suficiente para obtener una buena señal a la computadora, donde procesamos los datos un poco más. Como estaremos usando tarjeta de sonido de nuestro ordenador para obtener los datos, tenemos que cortar bastante ruido que la señal con ruido no no punto por encima o por debajo de + 1V y - 1V, ya que este es el punto donde la tarjeta de sonido clips de los datos de. Como usaremos +-9V con pilas para alimentar el circuito, también tenemos que asegurarnos de que mientras nuestros datos a través del circuito, nunca alcanza por encima o por debajo de este valor.
También he incluido un ejemplo de cómo colocar los componentes en un protoboard, uno con notas en él y otro sin. No es exactamente como lo hice, pero debe darle una idea general si no has trabajado con breadboards antes. Aún así, no sugiero usar esa foto como una guía estricta sobre cómo cablear todo. Seguir el esquema actual, el diseño de la placa parece un lío bastante jarbled (se pone realmente difícil evitar que al tratar de encajar todo en un tablero de 30 columnas). El programa también no siempre capa los componentes correctamente, y puesto que no hay manera para poner a prueba el "esquema protoboard", hay una posibilidad que no es perfecto. Utilice como pauta general, si usted lo necesita.
Aclarar algunos colores específicos utilizados en la vista de tablero--todos los cables rojos son líneas de energía, y todo negro interconexiones básicas entre piezas del circuito (la mayoría son las conexiones a tierra). El cable verde es la salida del primer filtro de muesca, el amarillo es la salida de lo 8 Hz HPF, el azul es la salida de la LPF de 30 Hz, y el cable blanco es la salida de la etapa de ganancia. El cuadro en la parte inferior representa el cable de audio a la tarjeta de sonido.
En general, cosas que debe recordar son que breadboards las líneas eléctricas (filas superior e inferior) están conectadas horizontalmente, y el resto está conectado verticalmente, con cortes en conexiones a través de la distancia media. Cuando se observa el esquema, tenga cuidado de no para conectar los alambres juntos a menos que existe un círculo negro con las conexiones - una cruz sin un punto no indica una conexión.