Paso 5: Construir el Protoboard y montarlo.


CONSEJOS:
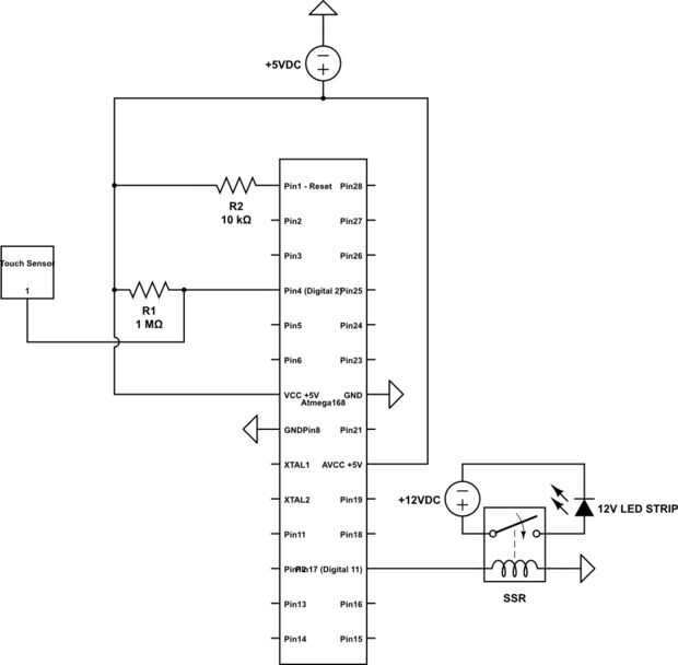
1) Asegúrese de que soldar el zócalo DIP en antes de insertar el chip atmega168. Microcontroladores son muy sensibles al calor.
2) limpiar el soldador entre los empalmes.
3) toma su tiempo y doble cheque tu trabajo.
4) si se utiliza un SSR, de la soldadura en el último.
5) Utilice un aparato de tercera mano si lo tienes!
6) no te olvides de añadir algún alivio de tensión.
Logré encontrar una fuente de alimentación de un viejo escáner en el vertedero local. Proporciona que dos tensiones de salida. + 12V y + 5VDC, muy muy simplificado del proyecto. Si no tienes suerte entonces usted necesitará utilizar una fuente de alimentación salidas de 12VDC y luego utilizar un LM7805 o algo similar para proporcionar el + 5VDC. Hay un montón de tutoriales sobre cómo hacerlo, por lo que por su propia cuenta;).
Para el sensor de contacto, funcionará cualquier objeto de metal. En la versión final, extendió un pedazo de alambre fuera de la caja del proyecto. Este cable sólo tiene que conectarse el sensor de contacto de elección. No tengo cualquier panel Montar enchufes de izquierda, habría ido más allá e instalar uno de esos.
Siempre que tenga el alambre pasa a través del metal de hoja, siempre debe incluir a algún tipo de protección para el cable. Ya sea una glándula de cable, o una inserción. Esto evita que un filo de corte a través del cable y causar un cortocircuito. En mi caso, la caja no va a mover alrededor, no se moleste. Incluso si hay un corto, mi alimentación tiene cortocircuito estructura de detección y se apaga. Si tuviera AC 110V corriente a la caja de ensambladura, definitivamente usaría los insertos, como un cortocircuito para el caso podría ser letal. Ya que solo estoy usando 12VDC, realmente no estoy preocupado. Si se construyen, por favor incluya los insertos ;)
En cuanto a montaje de la Junta, sólo utilicé un tornillo con algunas tuercas. He utilizado un par de los agujeros ya presentes en la caja de empalmes.