Paso 4: El circuito del termostato...

Componentes
La unidad del termostato se compone de los siguientes componentes:
- La fuente de alimentación de 12 voltios
- Un Arduino Uno
- Un escudo de relé de Seeed Studio
- Una pantalla de LCD Serial de 16 x 2
- Un 4.7 k Ohm Resistor
- Dos interruptores para controlar la temperatura
- Un ventilador
- Un termómetro resistente al agua IP65
- Escudo personalizado para facilitar la colocación sobre el escudo de relé, proporciona conectividad entre el termómetro y el Arduino, así como la línea de + 12 voltios para el ventilador a través de un relé.
- Corte de un láser personalizado caso que será cubierto en un paso posterior
Fuente de alimentación
Tenga en cuenta que la fuente de alimentación de 12 voltios proporcionará energía a todo lo siguiente:
- El circuito del termostato, incluyendo el Arduino shields y termómetro.
- El caso de enfriamiento del ventilador
- Los fans del refrigerador de la CPU en la unidad de enfriamiento de agua
- Los refrigeradores termoeléctricos en la unidad de enfriamiento de agua
Recomiendo usar una fuente de alimentación capaz de 30 A 12 voltios. La mayoría de la energía consumida será de los refrigeradores termoeléctricos dos 92 vatios.
Conectar el Arduino
El Arduino UNO tendrá el escudo de relé de Seeed Studio apilados en él primero. Encima de eso ponemos nuestro escudo personalizado con el escudo A000082 Proto PCB. Los pines de Arduino está conectados como sigue:
PIN 2: A la UP pulsador interruptor momentáneo, al otro lado de la cual se conecta a tierra.
PIN 3: al abajo pulsador interruptor momentáneo, al otro lado de la cual se conecta a tierra.
Pines 4-6: utilizado por el escudo de relé de Seeed Studio
PIN 10: conecta con el cable de señal (amarillo o blanco) del termómetro digital impermeable IP65. Asegúrese de conectar esto a una de las clavijas del enchufe estéreo. Seleccioné la clavija conectada a la parte más extensa de la clavija. Cuando se suelde cables termómetro IP65 para el estéreo Asegúrese de que coincida. También necesitará ejecutar un resistor del ohmio de k 4.7 de 10 PIN a la línea de 5v +.
PIN A4: conexión a la SDA en el tablero de mochila de la LCD Serial.
A5 PIN: conexión para el SCL en el tablero de mochila de la LCD Serial.
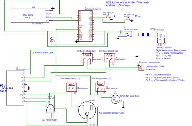
El esquema completo

Nota: El diagrama esquemático fue hecho usando EasyEDA, un web basado en programa de captura de esquemáticos que es gratis. Te recomiendo apoyar a su negocio para que este servicio sigue siendo gratuito.
Conectar el resto...
Como se puede ver en el diagrama esquemático, el circuito está construido encima de un escudo de Arduino y los lazos en el protector inferior de capas--el escudo de Seeed Studio relé. Para mantener todo modular, los componentes externos: el enfriador de agua y la sonda del termómetro están conectados a través de conectores de enchufe-puede, pero exactamente cómo se hace depende de usted. Podrán ver en las fotos cómo lo hice, y funciona bien. En el esquema, los relés se muestran utilizando las etiquetas de los relés en el escudo de relé. En todos los 4 casos el perno (N.C.) normalmente conectado no está conectado a nada. No es terriblemente importante que relé controla qué elemento pero es una buena idea para mantenerlos separados y le permitirá personalizar su dibujo para cambiar el calendario a sus necesidades.
Una pequeña parte del circuito utiliza corriente alterna. Por supuesto la fuente de alimentación de 12 voltios es alimentada por corriente alterna. Además, la bomba del chiller es CA y el relé controla la corriente hacia la bomba para que se ejecute sólo cuando el refrigerador se enciende.