Paso 1:

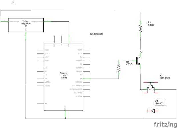
El esquema es muy simple:
De una salida de Arduino (u otro elemento de la lógica), que da una salida de 5V, vas a través de una resistencia de 4,7 k a la base de un transistor NPN (el tipo depende de la cantidad de corriente que se desea cambiar).
Cuando la salida es "ON", el transistor conduce y la corriente fluye a través de la segunda resistencia (que limita la corriente), a través del colector al relé y a la tierra.
En este caso, el transistor permite 12V a través del relé.
El diodo se utiliza para "corta" la tensión que puede producirse sobre la bobina del relé que se conecta muy rápido.
La conmutación del relé sigue la salida de arduino.
Esto puede también usarse en el mismo voltaje, para cargas que requieran corrientes más altas de la salida puede entregar.
Electrónica 101... Para me mi Instructable primero y el primer dibujo en Fritzing (c).