Paso 3: paso 3

en modo binario (no decimal), los tres dígitos de derecha a izquierda se repiten después de ocho cuentas.
así que los tres últimos dígitos siguen siendo los mismos cuando estamos contando desde cero hasta siete,
u ocho a quince.
podemos utilizar estos tres salidas para crear nuestro sequence.they se repita en el mismo orden para siempre.
el resto es muy sencillo.
por ejemplo para el primer número 'cero', que nuestro contador nos arroja
tenemos que crear '0001'
fácil,
0000? = > 0001
DCBA 4321
ahora recuerda que no se preocupan por el cuarto dígito,
a continuación,
000? = > 0001 salida
CBA 4321
así en el orden t que salida 1 alta,
Necesitamos, no a y no b y no c
por lo tanto,
OUTPUT1 es 1 cuando a' y b 'y c' es 1
tendremos una mesa, de todas estas condiciones una vez que escribimos los Estados de la lógica para cada miembro de la secuencia de salida.
aviso, el segundo recuento, que es 0001 debe encender output1 y output2 al mismo tiempo.
Salida1 y output2 es 1 cuando a y b 'y c' es 1
para ello, utilicé diodos de propósito general.
mientras que la salida de la primera declaración está conectada directamente a la Salida1,
salida de la segunda declaración está conectada a la Salida1 y output2
para evitar la activación involuntaria, simplemente puse diodos entre los Estados que más de una salida.
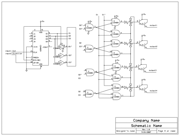
tenemos solamente dos entradas, una se conectará al pin 15 de 4029 (CLK)
y el otro al pin 10 de 4029 (1 / 0 abajo).
las salidas son más de lo suficientemente fuertes como para conducir los motores PAP que tengo, pero te recomiendo que uses como disparadores.
todo es más fácil de entender una vez que vea el diagrama esquemático.
solo quería repasar la teoría aquí.
piezas usadas aquí son:
(8) transistores de NPN 2N3094
(8) diodos 4001
(4) LEDs rojos (era de diodos, LEDs trabajados bien para esta aplicación)
(1) 4029 4 bits up/down contador
(1) 4009 hex inverter
(3) puertas 4081 quad 2 de entrada y
costo total:
$7-$10
voy a intentar publicar un video del aparato funcionando pronto
por favor no dude de hacer sugerencias, críticas o preguntas.