Paso 4: Soldar los componentes y programar el Arduino



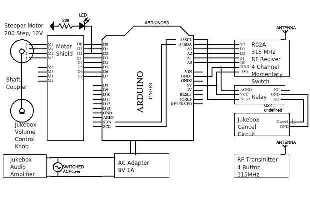
Lea y entienda el esquema. El escudo del motor tiene pines analógicos que pasan a través de la Junta de escudo para arduino. Realmente se sueldan los cables de conexión del módulo RF al escudo. El esquema muestra las conexiones lógicas para el tablero.
Soldar y montar los componentes electrónicos. Tenga cuidado de hacer los empalmes de la soldadura sólida. Utilizar una lupa para inspeccionar cada empalme. En arco iris de este ejemplo se utiliza el alambre. Alambre de arco iris es como módem cable de cinta, para aquellos lo suficientemente viejo para recordar los módems, todos los filamentos son de un color diferente. Programar el arduino con el software jbcontrol. Es muy similar a los ejemplos de código de ejemplo. El código se puede descargar desde Github. Prueba la Asamblea girando el motor.
Uno de él características del programa es un embrague de software. Un posible problema es que cuando la perilla de control de volumen está en sus límites, el paso a paso a intentar forzarlo más dando por resultado daño al reostato. Una solución es hacer un embrague de software. El embrague será liberar la tensión en el reóstato del motor paso a paso. Cuando el paso a paso está girando, a intervalos el motor está predispuesto para liberar. Esto significa que dejará de intentar girar el reostato más allá de sus límites.
El arduino con el programa de control de volumen de carga y proceder al siguiente paso.