Paso 2: Construir el circuito









Si usted tiene experiencia trabajando con breadboards, puede seguir adelante y montar el circuito basado en el tercer diagrama de tablero anterior, o directamente en el diagrama del circuito. Para principiantes partió en tres pasos, que para hacer las cosas menos abrumadora - correspondientes a los tres primeros diagramas anteriores:
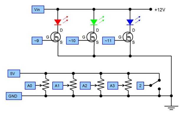
1) rellenar la placa con los tres MOSFET, cuatro potenciómetros, interruptor SPDT y adaptador de conector de barril. Hice estas piezas "transparente" en la figura anterior para que pueda ver exactamente donde sus pins go *.
2) añadir los cables para conectar a los rieles de corriente y tierra. Has color-coded con rojo y negro aquí, pero recuerda que puedes utilizar cualquier colores desea que si tienes un kit de cables de puente multicolor y sin cable de conexión rojo y negro. Observa cómo uno de los carriles de la placa está conectada a los + 12V la fuente desde el conector de barril (que alimenta de energía a la Arduino a través de Vin) y uno está conectado con el Arduino + pin de alimentación de 5V, pero comparten un terreno común . Todo lo que haces, no corta el + 12V y + 5V fuentes juntos!
3) agregar los cables para conectar a entradas y salidas de Arduino y los cables que se conectan a la tira del LED (si tu tira vino con los cables presoldados, utilice los) **. De nuevo, he codificadas por colores los respectivos rojo, verde y azul cables aquí pero su capacidad para hacerlo dependerá de lo que cable que tienes disponibles.
* Empecé hacer este diagrama en Fritzing, pero consiguió frustrado con la enorme cantidad de componentes del espacio como MOSFETs y potenciómetros toman en modo de vista protoboard (dan una visión cuasi-3D en lugar de una vista de "top-down", así que camino más espacio que en la vida real y ocultar otras cosas en la protoboard). Por lo tanto, tomé una captura de pantalla del Arduino y protoboard y dibujó sobre ellos en Powerpoint.
** Si tu tira LED llegó con los alambres previamente soldados, tenga cuidado con la codificación de color. Página del producto de SparkFun observa que se cambian los cables azul y verde, que puede ser irritante pero no causará ningún daño. Mi tira vino con un cable negro conectado a V +, y conseguir la polaridad invertida en la tira de LED puede ser malas noticias. Supongo que entiendo no querer usar dos cables rojos (uno para V +) y otro para los LEDs rojos pero deseo que utilizan algo que no sea negro de V +.













