Paso 5: cableado


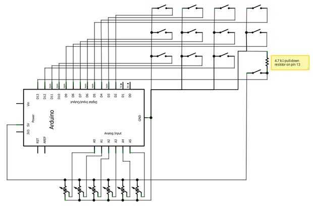
El chip ATMega328 en Arduino contiene resistencias de pull-up internas, por lo que no necesitamos conectar resistencias individuales para cada uno de los botones de arcade. Esto simplifica enormemente el cableado del controlador. Así que todo lo que hay que hacer para cablear los botones arcade es soldar una pata a tierra y una de las entradas digitales de la placa Arduino conectarse con la otra pierna.
Dicho esto, pin 13 no puede ser utilizado como una entrada digital con el resistor de pull-up interna. Consulte la sección de resistencias pullup en Pins digitales artículo en la Web de Arduino por las razones por qué. Este pin usaremos una resistencia de pull-down externa. Si no estás seguro lo que hace una resistencia de pull-up/pull-down, Compruebe hacia fuera este gran tutorial en ladyada.net .
Cableado de los potenciómetros requiere un cable de tierra, un cable a una de las entradas analógicas del Arduino y el tercero + cable de 5V. Como el potenciómetro se gira o ajusta, cambia la resistencia del potenciómetro entre el suelo y + 5V cable. Según la ley de Ohm, voltaje = corriente * resistencia, por lo que con una corriente constante de entrada y una resistencia variable de entrada, la tensión de salida será variable. Es este voltaje variable que Arduino Lee sobre los terminales analógicos.
El esquema adjunto (creado con el gran software Fritzing ) muestra cómo conectar cada uno de los componentes a la placa Arduino. El cable negro representa la tierra, el cable rojo representa + cables de 5V, el morado y el naranja son entradas digitales del Arduino, y los cables azul y verde son entradas analógicas para el Arduino. Tenga en cuenta que el suelo los cables y + 5V los cables han sido puente entre los botones y potenciómetros.
Antes de proceder al paso siguiente que puede ser útil para imprimir una copia del esquema eléctrico para referirse a mientras que usted suelde.