Paso 2: Código y esquema




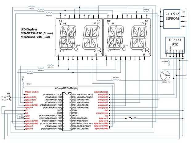
Se adjunta el esquema.
El reloj puede ser construido usando cualquier Atmega 328p basado en Arduino.
Para uso con un independiente Atmega 328p, como se muestra en el esquema, un programador ISP debe usarse para programar el microcontrolador mediante el IDE de Arduino. Después de la programación, los fusibles se deben establecer usando el siguiente comando de avrdude (WinAVR debe ser instalado). Sustituir el com port y programador el tipo. Lo más fácil es usar un Arduino como programador ISP. Google para los detalles.
AVRDUDE - c arduino -P com13 -b 19200 - p atmega328p - U lfuse:w:0xFF:m - U hfuse:w:0xDF:m - U efuse:w:0x05:m
Estos ajustes desactivar el vector de reset del gestor de arranque por lo que el código empieza inmediatamente a partir del vector de código principal. Los fusibles también se establecen para un oscilador de 16MHz externo. Una vez quemado, usted no podrá programar el chip de nuevo hasta el cristal y los condensadores están conectados como se muestra en el esquema, como el defecto oscilador interno se desactiva con estos fusible ajustes.
La biblioteca Arduino DS3231 debe instalarse para proporcionar acceso a las rutinas de reloj RTC. Es necesario habilitar el soporte de tiempo de Unix en la biblioteca por tenga la línea "#define CONFIG_UNIXTIME" DS3231 RTC biblioteca config.h archivo. Tiempo de Unix es utilizado como una semilla para el generador de números aleatorios para que las secuencias de la palabra y la frase no se repetirá cada hora el reloj se enciende.
El módulo de reloj DS3231 RTC sí mismo es una variedad común vendida en ebay. El módulo se ilustra arriba. Busque el tipo con una batería recargable de respaldo.
Además de un microcontrolador programado, también es necesario obtener y programar una EEPROM serial de Microchip 24LC512 con la lista de base de datos y la frase de la palabra de Akafugu. Esto se hace usando un simple circuito construido con un Arduino y tarjeta SD con formato FAT32 con el archivo output2.dat en él. Un bosquejo Lee los datos de la tarjeta SD y la escribe en la EEPROM. Detalles pueden encontrarse en los siguientes dos enlaces. Asegúrese de utilizar el esquema de programación y archivo de datos en este Instructable, como en el enlace de Akafugu carece de la base de datos de la frase. Siga el procedimiento en los enlaces.