Paso 6: Prototipo y prueba de sensor de luz circuito para ATtiny en protoboard


Así que ahora que tenemos un trabajo circuito de Arduino y el firmware probaron. Tiempo de pasar a tierra ATtiny.
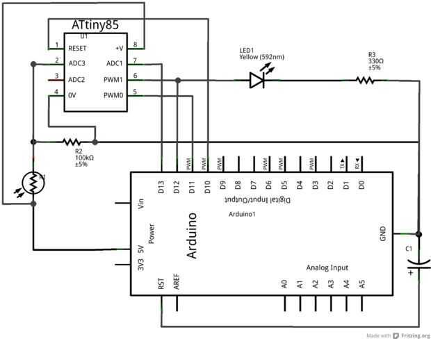
En primer lugar, añadir la pata corta del sensor de luz a VCC y largos de la pierna al ATtiny pin 2 (D3). Confundirse a estos números, especialmente cuando comienzas a hablar sobre pines analógicos. En este caso, el pin analógico 3 es igual a pin digital 3, por lo que lo hace un poco más fácil a menos que empieces a creer A2 y D2 son iguales (no son). También es necesario conectar el resistor de pull-down de D3 a GND.
¿Para el código, deberíamos ser capaces de cambiar pin "led = 5" a "led = 1" como tenía originalmente, a la derecha? También deberemos comentar todas las llamadas de biblioteca Serial porque no están disponibles para los corazones del ATtiny. Con una pequeña acción directiva de preprocesador, podemos fijar el boceto para configurará los alfileres y biblioteca Serial correctamente basada en la selección de la Junta en el IDE. ¿Eso sería un truco cool, derecho?
Para cargar el código en el ATtiny, vamos a tener que cargar el sketch de ArduinoISP y configurado para el ATtiny85. Recuerde ¿cómo?
- [Herramientas] -> [tableros] -> Compruebe la placa Arduino se utiliza (no el ATtiny).
- [Archivo] -> [ejemplos] -> "ArduinoISP"
- [Archivo] -> [subir]
- [Herramientas] -> [tableros] -> seleccionar "ATtiny85 (reloj interno de 8 MHz)"
- [Archivo] -> "Upload mediante programador"
Que el código ATtiny se comporta exactamente como lo hizo en el Arduino. La función delay() debe controlar el tiempo de la misma, dentro de la exactitud de lo ATtiny interna del oscilador de 8 Mhz. Si hay problemas de sincronización, se refiere generalmente a una miss match entre los ajustes del fusible y la selección de la Junta. En caso de duda, volver a quemar los fusibles con la opción de menú "Burn Bootloader".