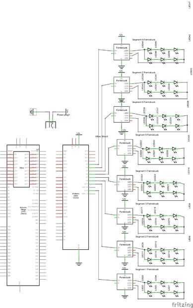
Paso 5: cableado





Hay un poco de cableado para conseguir esta cosa todo. Lo primero es conectar el bus de energía y la electrónica de potencia para los LEDs que son controlados por 8 femtobuck LED drivers, entonces finalmente los controles entre el femtobucks y el arduino. Para referencia, he incluido un diagrama de cableado y esquemático.
Femtobuck
El Femtobuck es un pequeño dispositivo cool para controlar LEDs de alta potencia. El IC en placa eficientemente puede convertir cualquier voltaje de entrada y controlar la potencia entregada a los LEDs para que ejecute a la correcta tensión y corriente máxima. Asegura que sus LEDs todos producen el mismo nivel de brillo y límites de las posibilidades de que te queme el LED. Sin embargo, a $8 cada uno, agrega al costo. Vea abajo para otras ideas si tienes tiempo y ganas de experimentar.
Mientras estás esperando el epoxi en el paso anterior para curar, puede soldar los cables en el femtobucks. Cada femtobuck tiene las conexiones de los LEDs en un extremo (los dos orificios, use los dos más cerca del centro) y las señales de control de encendido y en el otro extremo. Un rojo de 4" alambre a LED plus terminal de la soldadura. Soldar un cable negro de 4" al LED menos terminal. Soldar un cable rojo de 3" para el power plus terminal. Soldar un cable negro de 3" poder menos terminal. La línea de señal de control es un poco más difícil. Cada femtobuck está a diferente distancia de arduino. Hacer los cables de señal de control blanco: 4 12 "largo y luego los siguientes cuatro 18", 24 ", 30" y 36 "largo. Para el control de más terminales de soldadura. No necesita conectar el control menos señales, ya que todo está en el mismo plano de la tierra en este diseño, no es necesario y simplifica el cableado.
Tendrás que esperar a que el epóxico del paso anterior se seque antes de ir más lejos.
Fuente de alimentación y Bus principal
Esta cosa necesita energía, y suministramos a través de una fuente de alimentación que se monta entre los segmentos 1 y 2. Elegí un 12V, 5A fuente de alimentación, sobre todo porque tuve en mano. Vea abajo para una discusión de opciones de fuentes de alimentación. Montar la fuente en la parte posterior de la costilla principal utilizando un par de lazos de alambre, con la 120V hacia abajo. El cable sale por la ranura que se corta en la tapa inferior anterior.
Para la autobuses, utilizan dos conductores de 4' pieza de regular 14 calibrador de alambre eléctrico doméstico, que tenía en mano. El cable hasta la parte posterior de la costilla central, y sin apretar alambre atarla entre cada segmento (deja suficiente holgura para que pueda deslizarse el femtobucks y otros cables debajo de él). Como construido, incluso con todos los LEDs, te sacamos menos de 3A, pero generalmente conviene construir en un margen significativo de error en estas cosas. Cartas como ésta dicen que podría ir hasta calibre 18 sin problemas. Voy aprovechar este autobús dondequiera que usted necesita energía a lo largo de la longitud de la costilla central.
Puede cortar el cable de alimentación de 12 voltios y cable directamente el autobús (el alambre central es más), o mantenga el conector de 12 voltios y un jack hembra barril como éste. Conecte el cable negro del autobús a la línea negativa de la fuente de alimentación. Conecte el cable de bus blanco a la línea más de la fuente de alimentación.
Montaje y Femtobucks de alambre
Monte el primer femtobuck con el cable de control más largo segmento 1 en la parte delantera del puntal entre los segmentos 1 y 2 (frente a la fuente de alimentación). El cable de control a lo largo de la parte delantera del puntal a través del hilo de rosca los lazos hasta donde el arduino será entre los segmentos 6 y 7. Use un cuchillo para tira cuidadosamente de aislamiento lejos del el bus cablear y conectar los cables de alimentación (negro con negro, rojos blanco). Ver la imagen por encima de un solo segmento, se puede ver la conexión (aunque yo usé hilo blanco en la imagen, en lugar de rojo). Soldar los cables y utilizar cinta aislante para mantener las cosas de un cortocircuito. Deslice el femtobuck bajo el alambre lazos sosteniendo el autobús en el lado derecho de la costilla. Puede apretar este lazo de alambre. Ignorar los cables de LED por ahora, regresaremos a los.
Repita esto para cada una de las próximas 3 femtobucks con los cables de control más largos para los segmentos 2, 3 y 4. Armar el femtobucks para los segmentos 5 y 6 (con el 12" los cables de control) entre los segmentos 5 y 6, para dejar espacio para el cableado en el arduino. Poner la femtobucks de los segmentos 7 y 8 (también con 12" los cables de control) entre los segmentos 7 y 8 y enrosque los cables de control hasta el arduino.
Cable LED
Cables de los LEDs es bastante sencillo, pero hay muchos de ellos. Caminaremos a través de un único segmento, son todos iguales--comienzo de la parte inferior y trabajar. Se refieren a la foto y el diagrama de arriba para ver cómo funciona. Encontrar los LEDs en las parte posterior que tiene sus dos lados, uno frente al otro. Tomar el LED rojo del alambre de la femtobuck, el extremo de la tira y soldadura a uno de los más en uno de estos LEDs. Tira y soldar un cable rojo corto entre las pastillas más de estos LEDs. De cada una de las bases negativas de los LEDs, un corto cable negro de la almohadilla negativa con el lado positivo del LED al lado de la soldadura. Repita el procedimiento para conectar el LED siguiente alrededor de los lados derecho e izquierdo. Por último, soldar el LED negro menos el cable de la femtobuck a uno de los negativos de los LEDs en la parte delantera con los dos menos lados uno frente al otro. Soldar las dos pastillas de negativo junto con un cable negro corto.
Pruébalo
A este punto, debe ser capaz de probar su cableado. Si el cable de control de la femtobucks quedo desconectado, encenderá el LED a plena potencia. Así, si el cableado es correcto, puede conectar la fuente de alimentación, y el LED se encenderá. Nota: Estos son potentes LEDs - son realmente, realmente brillante! No pongas tus ojos demasiado cerca. Rato ahora depurar y fijar cualquier problema que se puede ver, si sabes que los componentes electrónicos están funcionando al 100%, es más fácil depurar otros problemas. Si usted quiere apagar cualquier segmento, puede conectar su cable de control a tierra, y el femtobuck apagará ese segmento.
Una nota--LEDs puede fallar, a veces fallan en cortocircuito y a veces dejan abierta. Si usted tiene un solo lado de un segmento que no enciende, prueba usando un pedazo corto de alambre para evitar cada uno de los LEDs en el segmento de malo averiguar que uno es malo.
Posibles mejoras
Los LEDs de Sparkfun es bastante caro, sobre $1,60 cada uno. Usted probablemente podría fuente algo más barato para conseguir resultados similares. No pude averiguar donde estaban de, pero estoy seguro de que podría investigarlo. También, la opción para utilizar Femtobucks también es caro, pero es conservador--fue mi primera incursión en el mundo de los LEDs de alta potencia. Usted realmente no necesita la flexibilidad y alguien con más confianza (o tiempo) podría construir algo más barato y más estrechamente comparable a la potencia de la fuente. La fuente de alimentación es overspeced camino--podría caer a un 9V fuente de 3A. Los femtobucks requiere simplemente su voltaje de entrada ser mayor que el LED Voltaje de 1 voltio. En 2.4V cada, la cadena de 3 LEDs sólo necesita 7.2V. También, usted podría hacer esto significativamente más brillante. De forma predeterminada, el femtobucks hacia fuera 300mA. En teoría, los LEDs toman 700mA cada uno, así que podría suministrar más de un 1.4A para cada segmento, si querías. Necesita una fuente de alimentación más grande y tendría que seguir las instrucciones para cambiar la actual resistencia limitadora en las juntas de femtobuck--puede triplicar su potencia a 1Amp. Estos LEDs son visibles en un día soleado al aire libre, pero podría ser más brillantes.