




He colocado en el estándar de la industria de iluminación de DMX como mi protocolo de control de general como exploro el mundo de las luces blinky. Este método de control universal es eléctricamente robusto, radio transmisible y lo suficientemente flexible como para mis necesidades (no mencionar a las necesidades de importantes conciertos, teatro y lugares de ocio.) Hay una variedad de controladores de secuencia DMX de gratis a miles de dólares.
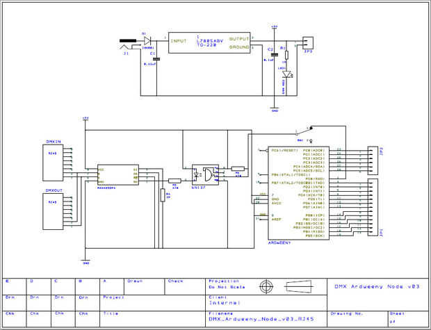
Para ello, he diseñado un receptor DMX de una placa que sirve un tablero de hija Solarbotics Ardweeny. Cuenta con;
o un regulador de energía de 5V a bordo - 1AMP capacidad
Rúbrica de 5V o para alimentar otros dispositivos (o puede servir para esta placa de otra fuente regulada de alimentación).
o opto-aislamiento para proteger el Ardweeny de picos en las líneas DMX
o Arduino analógico y digital configuración de pines para el control de otro engranaje con sus bocetos de Arduino
o RJ45 conectores para conexiones de DMX (usando cables de Ethernet de bajo costo populares entre los aficionados de iluminación)
o no terminación DMX a bordo (no olvide colocar un resistor de 120 ohmios a través de la última toma de una serie)
o a bordo programa/funcionamiento interruptor que desconecta la línea DMX de la Ardweeny por lo que se puede programar via ICSP cabecera.
Solo reescribir el código de Arduino para controlar cualquier dispositivo con DMX.
referencias de diseño:
DIYLightAnimation.com - los kits excelentes diseñados por Robert Jordon y otros colaboradores increíbles. Actualmente tengo la EtherDongle, Rx/Tx transmisor o receptores, y Lynx Express sistema de atenuación de 16 canales.
Arduino.CC (por supuesto)
Matthias Hertel, http://www.mathertel.de - que ha escrito la biblioteca de emisor/receptor DMX más eficaz que he encontrado hasta la fecha.
decisiones de diseño importantes incluidas;
o alimentación DMX a la flexible plataforma Arduino
o construir cuesta menos que cualquier oferta similar (esto viene $33 con mi volumen comprado piezas de ebay/China)
o diseño por-agujero para la Asamblea fácil
o RJ45 tomas en vez de XLR para tomar ventaja de los cables de Ethernet de bajo costo
puede proporcionar la energía de la Junta para proyectos de bajo amperaje o puede ser alimentado por fuentes más grandes
o aislamiento de DMX para proteger el Ardweeny de transitorios (también tengo una versión con aislamiento)
o Ardweeny puede fácilmente sustituirse si están dañados
pasos de diseño muy básico:
o en los parámetros de diseño (arriba)
o diseñada esquemático y PCB en SparkfunPCB - una herramienta gratuita de diseño de PCB
o comprobada el ajuste de todos los componentes de la PCB para papel de impresión y piezas a través de la impresión
o considera quema el PCB en el país pero retrocedió debido a las estrechas tolerancias de doble cara de algunas de las pequeñas vias
o enviado los archivos de salida de diseño de Gerber a BatchPCB.com (un servicio de SparkFun Electronics)
o recibido las placas PCB y poblado uno
Aquí es un simple bosquejo de Arduino que controla la placa de relé de 8 canales en la foto. (Usted necesitará instalar la biblioteca de DMXSerial escrita por Matthias Hertel en http://www.mathertel.de).
---------------------------------------------------------------------------------------------------------------------
DMX_Relay_8ch_v01 - 15 de septiembre de 2012
recibe los datos DMX y funciona una placa de relé de 8 channnel vía salidas digitales
//
Rutinas DMX Copyright (c) 2011 por Matthias Hertel, http://www.mathertel.de
//
#include
Dirección de inicio DMX de este dispositivo
#define DMX_START_ADDRESS 1
número de canales DMX para reservar para este dispositivo
#define DMX_NUM_CHANNELS 8
configuración de pines de salida
relay_pin Byte [8] = {2,3,4,5,6,7,8,9};
void setup()
{
inicializar el receptor DMX
DMXSerial.init(DMXReceiver);
inicializar las salidas de pin
para (int p = 0; p < 8; p ++) {}
pinMode (relay_pin [p], salida);
digitalWrite (relay_pin [p], LOW);
}
}
void loop()
{
para (int p = 0; p < 8; p ++) {}
Si (DMXSerial.read(DMX_START_ADDRESS+p) < 128)
{
digitalWrite (relay_pin [p], LOW);
}
otra cosa
{
digitalWrite (relay_pin [p], HIGH);
}
}
}
---------------------------------------------------------------------------------------------------------------------
Si usted quiere intentar este proyecto:
Tengo algunos repuestos de PCB o usted puede pedir uno en BatchPCB.com: https://batchpcb.com/pcbs/97418
Podría vender un kit completo de PCB y piezas. Me pregunta.
Lista de materiales
1 x PCB a través de BatchPCB.com
1 x Solarbotics pieza Nº KARDW
1 x GN137 Opto acoplador DIP-8
1 x MAX485EPA RS485 DIP-8
1 x L7805ABV voltaje regulador 5V 1A TO220
Resistor de 1Kohm x 1
2 x 470 ohm Resistor
condensador de cerámica 0.1uF x 1
condensador de cerámica de 1 x 0. 33uF
1 diodo de x IN4001
LED rojo de 1 x 5 mm.
1 x espaciamiento de encabezado 2 pines 0.1
1 x espaciamiento de encabezado 6 pines 0.1
1 x espacio de cabecera 13 pines 0.1
conector de barril 1 x 5.5mm - chispa diversión electrónica SKU: PRT-00119
2 x jack RJ45 PCB, ángulo recto, sin escudo
1 x SPDT diapositiva interruptor o 2-pos encabezado con puente
Michael