Paso 2: construcción



El esquema está disponible en formato pdf aquí.
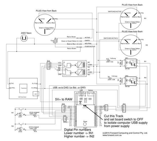
Este es un proyecto para constructores experimentados que puede seguir el esquema del circuito y la disposición general en la foto superior. Sin embargo aquí están algunas notas sobre algunas de las opciones diseño y construcción.
Seguridad – una caja de policarbonato totalmente aislado fue utilizado. No hay metal proyectos desde el interior hacia el exterior de la caja. El botones de presión, indicador de neón y portafusibles son todos de plástico. Los tornillos de la tapa son externos a la donde se monta el circuito y la veroboard está enroscada en los puntos de montaje. El evita la necesidad de puesta a tierra del circuito o caja. Si cualquier red cableado no vienen suelta en su interior está totalmente dentro de la caja. También ha sido cuidado tomar poner shrink rap en todos los terminales de red y para poner una barrera de plástico sobre el USB placa de alimentación para que el proyecto es razonablemente seguro para la programación con la tapa abierta, siempre que no pegan te dedo abajo en las clavijas de opto 6N138.
Porta fusible , es posible deshacer el portafusibles y acceder a una tensión de red viva de esa manera. Si hay pequeños niños a tu alrededor deben eliminar el portafusibles y Monte el fusible dentro de la veroboard.
Botón Led resistencia – las resistencias de 130 ohm en serie con el pulsador LED montado en el botón terminal y dentro del abrigo del encogimiento (rojo). Este valor fue elegido por sobre 10 mA de la FioV3 3, 3V en coche.
FioV3 fuente de alimentación – el FioV3 se alimenta de la placa de potencia USB conectada a la misma entrada de materia prima. Para evitar esta fuente lucha con fuente USB de la computadora para la programación de la FioV3, el FioV3 junta montada fue selector power en off, como se muestra en la foto de abajo, y la pista de suministro fue cortada como se indica en el esquema y en la foto de arriba
Acceso al programa de la FioV3 – FioV3 el tablero se monta en separadores alta por lo que es USB puerto de programación es accesible por solo hablar de la tapa de la caja.
Control de potencia de salida , como se mencionó anteriormente la corriente en los cables de salida se controla y visualiza el botón LED y la pantalla pfodApp. Esto se hace vía el 6N138 opto aisladores. En la primera iteración de este proyecto, el LED del pulsador y los optos estaban en serie y conducido directamente desde la salida de 240V mediante una combinación de rectificador de onda completa de condensador/resistor. (ver este pdf de ejemplos (Microchip AN954)).
Sin embargo esa solución no duró mucho. El toque de resistencia hacia arriba y el led error. Así que para la segunda iteración, el opto aislador fue conducido desde el 240V a través de un resistor limitador actual y el botón LED ahora es conducido por el FioV3 basado en la salida de los opto aisladores. Vea el bosquejo para más detalles.
Inicialmente una resistencia de 470K ohmios fue utilizada pero 0.5mA o que ofrecía no era suficiente para manejar confiablemente el 6N138 opto. Así que la resistencia se reduce a la mitad a 240K ohms para 240V fuente (110K ohms para 110V). Esto se disipa sobre ~0.25W por opto. Si puede utilizar lo más sensibles 6N139 opto entonces probar la resistencia de 470K para 240V fuente (240K ohms para 110V), que reduce la potencia disipada por la resistencia a la ~0.125W por opto.