Paso 6: La construcción del circuito de medidor de la tensión Final









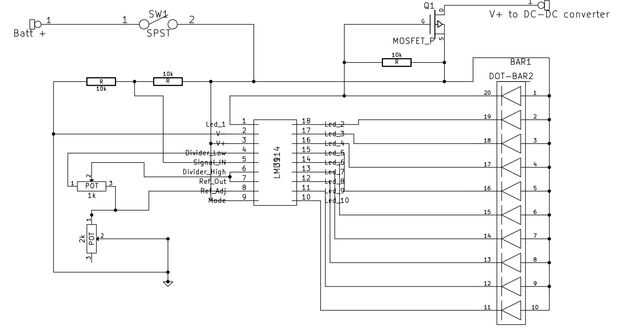
El circuito es extremadamente simple con solo 1 chip, un gráfico de barras de LED, un mosfet, 2 trimmers y 3 resistencias. He construido en un pedazo de placa PCB de la tira.
Para conseguir el LED rojo 's en la parte inferior de la escala y el verde en la parte superior que tenía que poner el LM3914 boca abajo en la parte inferior de la PCB. Esto en sí mismo no es demasiado complicado siempre y cuando usted recuerde cortar los rastros debajo de él antes de que la soldadura en el lugar.
Una vez construido el circuito necesitará "afinar". Primero la energía de una 4.20v fuente (Yo utilicé un paso ajustable conversor) y ajuste el trimmer k 2 (el inferior en mis fotos), que controla el desplazamiento desde 0v de la escala, de modo que sólo enciende el LED verde superior.
Luego el voltaje de entrada a 3.8v y ajuste el trimmer de 1 k, que es el rango de la escala, para que el LED rojo de fondo apenas se apague.
Que tenga que repetir el ajuste varias veces como un pote de ajuste afecta a la otra ligeramente.