Paso 2: Circuito de detección





Hay unos cuantos elementos diferentes a este proyecto, por lo que es mejor hacerlo todo en pasos. En primer lugar de: voy a ir a través de cómo armar el circuito de detección.
Es una buena idea para construir esto en un tablero de pan en primer lugar, por si cometes algún error, he incluido un diagrama del circuito y fotos paso a paso, a.
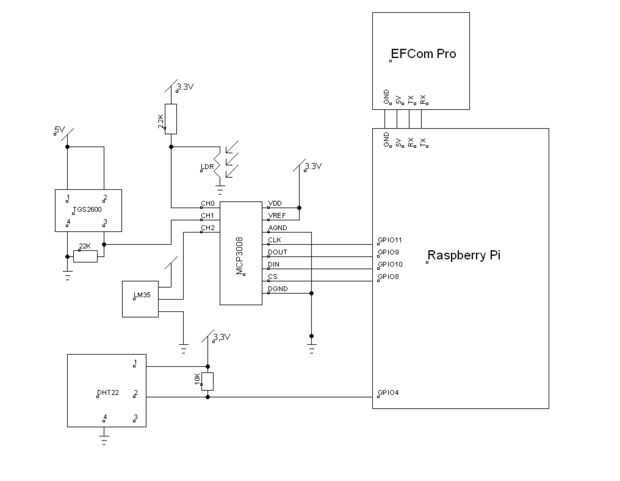
- El primer componente para obtener cableado es este MCP3008 analógico al convertidor digital. Esto puede tomar hasta 8 entradas analógicas y se comunica con el Pi de frambuesa vía SPI. Con el chip hacia arriba y el semicírculo que corte en el extremo más alejado de usted, las clavijas a la derecha todos conectan el Raspberry Pi. Conectar como se muestra. Si desea conocer un poco más acerca de cómo funciona el chip aquí es una gran guía para la MCP3008 y el protocolo SPI.
- Los pines de la izquierda son las 8 entradas analógicas, numeradas de 0-7 de arriba hacia abajo. Utilizamos solamente los 3 primeros (CH0, CH1, CH2), por la LDR, el general gas sensor (TGS2600) y el sensor de temperatura (LM35). Primero conecte el LDR como se muestra en el diagrama. Un lado a tierra y el otro a 3, 3V por un 2.2KΩ resistencia y CH0.
- A continuación, conecte el "sensor de gas general". Este sensor de gas se utiliza para la detección de contaminantes del aire tales como hidrógeno y monóxido de carbono. Todavía no he trabajé cómo conseguir concentraciones específicas, por lo que por ahora el resultado de este sensor es un nivel básico porcentaje, donde 100% es completamente saturado. Con el sensor mirando hacia arriba (pernos en la parte inferior), el pin directamente a la derecha del pequeño promontorio es el pin 1 y entonces los números aumentan en sentido horario alrededor del perno. Los pines 1 y 2 se conectan a 5V, el pin 3 se conecta a CH1 y tierra a través de un 22KΩ resistencia y pin4 conecta recto al suelo.
- El sensor analógico final para conectar es el sensor de temperatura LM35. Este tiene 3 pines. Tomar el sensor para que el lado plano es más cercano a usted, la izquierda pin la mayoría conecta directo a 5V (no marcado en el diagrama, mi mala!), conecta a la patilla central a CH2 y el eje derecho de la mayoría se conecta directamente a tierra. Fácil!
- El último componente para conectar es DHT22 sensor de humedad. Se trata de un sensor digital, por lo que se puede conectar directamente a la frambuesa Pi. Tomar el sensor con la red al frente y los cuatro pasadores en la parte inferior. Pernos se ordenan de 1 a la izquierda. Conectar 1 a 3, 3V. Pin 2 va al GPIO4 y 3,3 v mediante una resistencia de 10KΩ. Dejar desconectado el pin 3 y pin 4 va directamente a tierra.
Eso es todo! El circuito de prueba de construido. Espero añadir más componentes cuando tengo tiempo. Gustaría añadir un sensor de presión, un sensor de velocidad del viento y me gustaria obtener datos más inteligentes en las concentraciones de gases.