Paso 2: Hardware - conducción módulo de matriz de LED


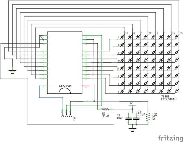
Los esquemas ilustran de LEDs, MAX y Arduino. Ambos esquemas muestran la misma conexión sólo desde otra perspectiva.
He utilizado el MAX7219 y 788BS matriz de LED, esto es el de ánodo común.
Puede ocurrir, que el módulo LED tiene cátodo común, en este caso
tienes que cablear conexión al chip MAX. Sólo tienes que tener en cuenta, que sombrero de máximo dos juegos de pernos, que son relevantes aquí: Dig0 Dig7 deben conectarse a cátodos (-) y SegA-SegG a anodes(+). Además de estos cambios intercambian filas con columnas de módulo LED de seno.