Paso 8: Circuito de iluminación







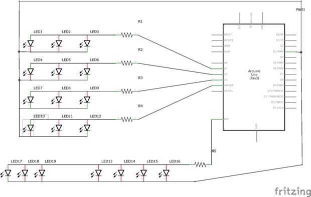
el circuito de iluminación consta de 4 grupos de 3 LEDs para las luces principales chaser en el Y para el condensador de flujo son cálido blanco LED, 5mm con una resistencia de 68 ohm
y 4 luces en el exterior y 3 en el centro. se trata de LED blanco brillante, 5mm con una resistencia de 68 ohm.
He probado usando un protoboard y cables de puente, esta es la primera vez he utilizado un Arduino, utilicé un Uno ya que son baratos y fáciles de conseguir.
para activar un conjunto de LEDs se debe configurar el pin de bajo a alto así
pinMode (pos1_pin, salida);
digitalWrite (pos1_pin, HIGH);
para el circuito final utilizo vero perforada para fijar los LEDs, hizo un poco más fácil de soldar entre sí.
en el condensador de flujo original utilizada en las películas utilizan bombillas incandescentes, LEDs son más apropiados para nuestras necesidades.