Paso 5: Salida Digital código de interfaz gráfica de usuario


Esta VI que se encarga de las animaciones de GUI, así como llamadas a funciones para controlar el descubrimiento análogo. Este paso será discutir el código en el contexto del código de mapa de Color, el código de la animación, el código de Control analógico descubrimiento.
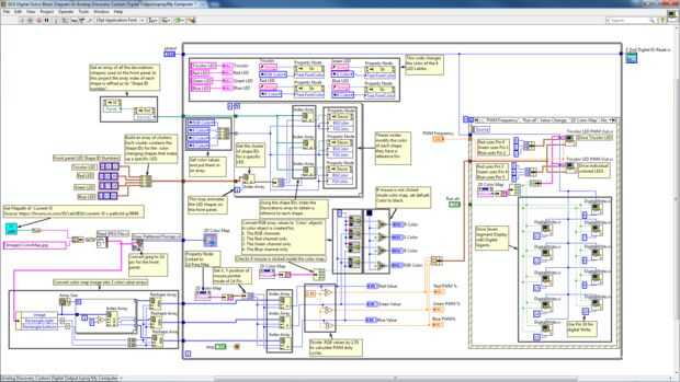
Nota: el código del proyecto está fijado encima de.
Mapa de color
Antes de comenzar el bucle la VI lee en mapa de píxeles de un JPEG. El JPEG es una imagen de

. Los valores RGB de cada píxel del mapa de píxeles se clasifican en tres matrices, una para cada color. 2 º copia del mapa de píxeles es hecha y dibujada en el panel frontal donde se puede hacer clic. Esta imagen clickable está etiquetado como "mapa de Color 2D". Dependiendo de donde usted haga clic en el mapa de Color 2D se selecciona un valor de color RGB. Esto se hace usando las coordenadas del puntero del ratón (en relación con las fronteras del mapa de Color 2D) para acceder a las matrices de color ordenadas que se crearon a partir del mapa de píxeles. Estos valores de color se utilizan para los propósitos de la animación como bien como controlar el descubrimiento análogo.
Animación
Para dar una visualización virtual de cómo sería el real LED Tricolor, LEDs virtuales están animados en el panel frontal. Los valores RGB agarrados de los arreglos ordenados de color se aplican a los LEDs en el panel frontal. Uno de los LEDs en el panel frontal (el tricolor LED) muestra los valores RGB mixtos. Cada uno de los otros tres LEDs están dedicados al canal solo color (rojo, azul o verde). Los LEDs del panel frontal están hechos de formas de la decoración. En LabVIEW todas las referencias de la decoración de un panel frontal de VIs están contenidas en un array llamado Decos []. Mediante una referencia de decoraciones puede controlar ciertas propiedades de la decoración tales como el color. Después de que yo había dibujado los LEDs (utilizando dos rectángulos y un círculo para cada uno), determiné su posición en la matriz de [] de Decos. Lo hice, conectando en un valor de índice (obtención de las decoraciones de referencia) y ocultar y mostrar la decoración. Después de ver lo que la decoración cambió desaparecido sabía qué índice [] Decos correspondió a él. Mediante este proceso derivados de las constantes de cluster "LED forma de números de identidad". Tenga en cuenta, que llamo la "forma ID números" pero realmente son valores de índice de la matriz [] de Decos. Tenga cuidado si usted agrega una decoración, o modificar una decoración los valores del índice de cambio de Decos []. Esto hará que la animación funcione mal. Con los números de identificación de forma correcta usar un bucle seleccionar un grupo de decoraciones y aplicar los colores RGB. Se trata de cómo se animan los LEDs del panel frontal.
Control analógico de descubrimiento
Se utiliza controlar el descubrimiento análogo de una estructura de evento. Los gatillos de estructura de evento cuando el ratón se mueve, o haga clic en el mapa de Color 2D. La estructura del evento dispara si cambia los valores PWM o PWM. Los valores PWM se calculan basándose en los valores RGB. En un archivo JPEG colores son lo que significa que los números de 0 a 255 se usan para representar es la intensidad de un canal de color de 8 bits (es decir, cómo es la intensa rojo verde o azul valor de un píxel). Para calcular el porcentaje de ciclo de trabajo PWM, los valores de color se dividen por 255. Estos valores se introducen en el "Tricolor LED PWM Out.vi"This VI es sobre todo para la organización. Contiene 3 VIs idénticos que generar señales PWM en el descubrimiento de la analógica. Consulte el paso siguiente para obtener más información acerca de cómo se genera la PWM. La estructura del evento que controla la VI PWM dispara unos comandos de escritura Digital para el descubrimiento de la analógica. Esto es lo que causa opcional pantalla de siete segmentos iluminar. El número pin para la escritura Digital es duro codificadas en el evento estructura. No dude en cambiar y experimentar, pero asegúrese de que no intenta utilizar el mismo pin para escritura PWM y Digital. Para obtener más información acerca de cómo funciona el VI de escritura Digital consulte el siguiente paso.