Paso 2: Vamos a empezar!


Aunque no es necesario, recomiendo sumamente para imprimir unas etiquetas compatibles Arduino para el chip Atmega por lo que fácilmente se puede saber donde se conecta lo que ya no necesita seguir volviendo a la hoja de datos.
En mi caso, los LEDs se colocaron 12 orificios alejados uno del otro para llenar el PCB que tenía.
lo que primero necesita decidir es donde están tus LEDs va a ser, después de eso, decidir dónde están tu chip Atmega328 y suministro que va a ser la energía.
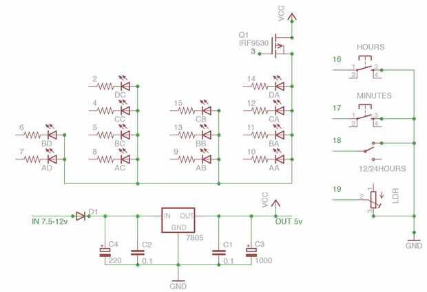
El esquema anterior muestra (encima de las resistencias) el número de pin del chip a donde ese LED debe conectarse, pero esto ahora es importante, como súper fácilmente puede asignar el código utilizando las coordenadas de cada LED (se muestra a continuación de cada LED).
Los LEDs en la demostración esquemática que del real los lugares para los LEDs, la columna de la derecha tiene 4 LEDs, el siguiente 3, el una 4 red, el siguiente 2. (Vista frontal)
Basta con que deja al menos 1 clavija de entrada analógica de LDR, 1 pin PWM para el MOSFET y, si usted quiere ser capaz de programar a bordo, deja RX y TX (pines 0 y 1) de cualquiera de los componentes.
Recuerde que debe soldar esta LED con la apuesta de cables tan sólo posibe, ya no serán los LEDs finales, estos son sólo para pruebas y para el proceso de diseño.