Paso 4: Aire pequeño músculo regulador


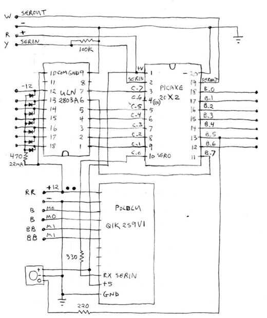
Haga clic en el esquema para ver una versión más grande.
Aquí está el código de programación para un Picaxe 20 x-2 que puede controlar hasta 7 válvulas y una bomba de aire de velocidad variable:
' los músculos de aire controlador 2 de músculo air7
b.5 la entrada
c.1 bajo
c.2 bajo
c.3 bajo
c.4 baja
c.5 baja
b.7 baja
bajo c.7
serout c.0,t2400,(170,9,$0C,84) ' reloj m1 24-127 2/3 velocidades
PAUSE 100
loopinfra: ' control remoto de movimientos o secuencias autónomas
' depurar b6
b.5 de IRIN, b6
Si b6 = 0 entonces act1 ' botón del control remoto 1 = 0
Si b6 = 1 then act2 ' b2
Si b6 = 2 entonces act3 ' b3
Si b6 = 3 entonces act4 ' b4
Si b6 = 4 entonces act5 ' b5
Si b6 = 5 entonces act6 ' b6
Si b6 = 6 entonces act7 ' b7
Si b6 = 7 entonces act8 ' b8
Si b6 = 8 entonces act9 ' b9
' si b6 = 11 entonces act10 '
' si b6 = 21 luego act11 '
Si b6 = 21 luego off1 ' off 1-7
' si b6 = 21 luego act11 '
Goto loopinfra
Act1: ' izquierda músculo
c.1 alta
c.3 alta
pausa de 10
c.1 bajo
c.3 bajo
pausa de 80
Goto loopinfra
ACT2: ' derecha músculo en
c.1 alta
c.4 alta
PAUSE 100
c.1 bajo
c.4 baja
PAUSE 100
Goto loopinfra
act3:
c.3 alta
PAUSE 1000
Goto loopinfra
act4:
c.4 alta
PAUSE 1000
Goto loopinfra
Act5:
c.5 alta
PAUSE 1000
Goto loopinfra
Act6:
b.7 alta
PAUSE 1000
Goto loopinfra
ACT7:
c.7 alta
PAUSE 1000
Goto loopinfra
act8:
c.1 alta
PAUSE 1000
Goto loopinfra
act9:
ACT10:
off1:
c.3 alta
c.4 alta
c.2 alta
hacer una pausa en 6000
c.2 bajo
c.3 bajo
c.4 baja
Goto loopinfra
' extra
' serout 3,t2400,(170,9,$0E,127) ' c-reloj m1 24-127
' serout 3,t2400,(170,9,$0E,0) velocidad 0 para parar
' serout 3,t2400,(170,9,$06) ' Costa m0 para detener
' serout 3,t2400,(170,9,$07) ' Costa m1 para detener
' 3,t2400,(170,9,$08,127) serout ' m0 24-127 el reloj
' serout 3,t2400,(170,9,$0A,127) ' c-reloj m0 24-127
' c.0,t2400,(170,9,$0C,84) serout ' reloj m1 24-127 2/3 velocidades
' pausa 100
' 3,t2400,(170,9,$8C,127) serout ' reloj m1 velocidad 24-127(half speed)
' 3,t2400,(170,9,$8D,127) serout ' reloj de velocidad completo m1
' 3,t2400,($8c,24) serout ' m1 24-127 toda velocidad del reloj
' 3,t2400,(13,127) serout ' velocidad máxima c-reloj m1 24-127