Paso 6: Poner juntos todos


Conexiones de
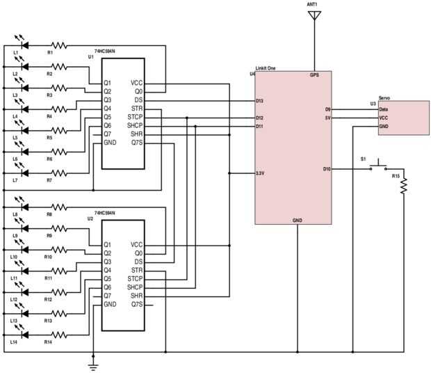
Ahora que tenemos una medida de la velocidad, una forma de mostrar y un mecanismo de bloqueo, podemos convertir esto en un sistema completo
Conectar los periféricos como se describe en los pasos anteriores:
- Batería
- Muestra
- Antena GPS
- Interruptor
- Servo
Para hacerlo más fácil de conectar y desconectar, os adjunto todos los periféricos a un "escudo" que es simplemente un pedazo de tablero de perf con cabeceras de 2,54 mm (0,1"), soldado, como se puede ver en mi foto.
Código
Mi código está unido, es simplemente todos los fragmentos de código de los pasos anteriores agrupados. Espero que se actualizará en los próximos días como hacer más pruebas.
Algunos puntos son:
- Caracteres de siete segmentos se almacenan en una matriz de valores hexagonales de dos bytes llamado "dataArray"
- getComma() devuelve la posición de la coma n-ésima de una cadena
- getDoubleNum(), GetChar() y getIntNum() Extracto de esos tipos de variables de cadena, entre el inicio de la cadena y la coma de la siguiente
- parseGPRMC() utiliza las funciones anteriormente descritas para extraer detalles de un RMC con formato de cadena de GPS, en particular, la velocidad.
- displaySpeed() en un valor entero de velocidad y separa en dos dígitos para la visualización en el display de siete segmentos