Paso 5: conceptos modulares




Matemáticas
Yo estoy manejando los LEDs en sobre 15mA (5V-1.8vDrop/220ohms=14.5mA). Esto significa que puedo conducir hasta 33 columnas con el driver mic2981 (500mA/15mA = 33,3). Dividido por 8 podemos ver que esto nos permite encadenar 4 registros de desplazamiento.
También tener en cuenta que no necesita tener todas las 32 columnas se extienden de izquierda a derecha. En cambio puede crear una matriz de 16 x 16 que es atada con alambre del mismo modo que lo haría con una matriz de 8 x 32. Esto sería abordado por desplazamiento de 4 bytes... los dos primeros cambiaría a los leds de la fila 9, los segunda dos bytes cambiaría en la primera fila. Ambas filas provenientes por un pasador en el conductor de la fila.
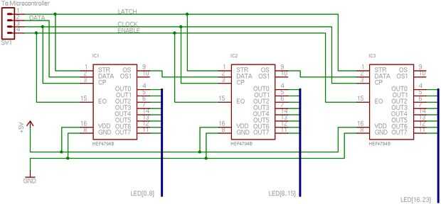
Registros de desplazamiento en cascada
Los registros de cambio utilizados son en cascada registro de desplazamiento. Esto significa que cuando usted cambia datos, el desbordamiento aparezca en el pin de sistema operativo. El se convierte en muy útil como un conjunto de registros de cambio puede ser conectado a cada otro, pin Os al pin de datos, agregar 8 columnas con cada nuevo chip.
Todos los registros de desplazamiento se conectarán a los mismo cierre, reloj y salida permiten pines en el microcontrolador. El efecto "en cascada" se crea cuando el sistema operativo del primer registro de desplazamiento está conectado al pin de datos de la segunda. La programación tendrá que ser alterado para reflejar el aumento del número de columnas. El búfer que almacena la información y la función que cambia la información en cada columna deben actualizarse para reflejar el número de columnas.
Un esquema de esto se expone a continuación como ejemplo.
Varios controladores de fila
El conductor de la fila (mic2981) puede fuente de corriente suficiente para manejar 32 columnas. ¿Qué pasa si usted quiere más de 32 columnas? Debe ser posible utilizar varios controladores de fila sin utilizar más pines del microcontrolador.
Necesitamos los controladores de fila a la fuente de corriente suficiente para encender los LEDs. Si está usando columnas más de lo que es posible a la luz de una vez, controladores de fila además pueden suministrar la corriente necesaria. El mismo pines de entrada del microcontrolador se utilizan por lo que no es necesario modificar la exploración de las filas. En otras palabras, cada conductor controla las filas para un bloque de 8 x 32. A pesar de 64 columnas tengan la misma colocación de la fila física, dividimos los autobuses de la fila en dos, utilizando un conductor para las 8 hileras de las 32 primeros columnas y un segundo conductor para las 8 hileras de las columnas segunda 32 y así sucesivamente.
Un esquema de esto se expone a continuación como ejemplo.
Errores potenciales:
1. no utilice varios controladores de fila con el mismo número de columnas. Ello significaría que cada cambio registro ser clavado más de un LED a la vez.
2. debe tener un conjunto de resistencias de 8 (3k 3) para cada controlador de fila, un sistema de múltiples controladores de fila no funciona como no proporcionará la corriente necesaria para activar las puertas.
Por ejemplo
Decidí ampliar la matriz de que construido anteriormente. He añadido 7 más filas para un total de 15, eso es todo que puedo caber en este protoboard.
Yo también acabo de enterar sobre un concurso que Instructables está haciendo llamado "Dejó su resplandor". Aquí hay un video de mi opinión sobre eso. Una vez más, la cámara digital que llevaba el vídeo no lo hace justicia. Este parece grande para el ser humano ojo, especialmente donde todos los LED parpadean, pero no se ve casi tan bueno en el video. Disfrutar de:
Código fuente para esta pantalla más grande se incluye a continuación.