Paso 1: Hardware


- Una placa arduino;
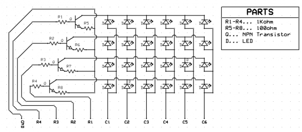
- 24 LEDs del mismo color;
- Cuatro transistores;
- Cuatro resistencias de 100 ohmios;
- Cuatro resistencias de 1Kohm;
- Y una buena cantidad de alambre.
"C" representa para la columna, mientras que "R" está parado para la fila.
Las columnas son verticales, variando el eje de Y
Las filas son horizontales, variando el eje de X.

Cómo funciona el Hardware:
El hardware funciona aplicando + 5 voltios a la columna deseada y fila, y con toma de tierra conectada al pin GND de arduino. Si aplico + 5v a C1, habrá + 5v listo para ser pasado a través de todos los LED en la columna 1, pero todavía tiene que ir a través de los transistores para obtener una toma de tierra y no hay ningún LED en... En la otra mano, si aplico + 5v a R1, ese transistor permitirá actual pasar de cualquier LED en la fila 1 a la tierra. Pero ya que no existe ningún voltaje aplicado a cualquiera de las columnas, ningún LED se enciende.
Por lo que he dicho hasta ahora, podemos ver que + 5v debe aplicarse a una columna y una fila al mismo tiempo cualquier LED se encenderá. Aquí es donde corremos en un problema: la única manera de encender 3 LEDs [(C1, R2), (C1, R1) y (C2, R1,) que son los tres más bajos y a la izquierda] es aplicar + 5v a pines R2, R1, C1 y C2. El problema con esto es que también se convertirá en LED (C2, R2). Consulte el paso 2 para saber cómo solucionar este problema, leer las especificaciones técnicas.
Material técnico...
Esquema Pin nombre---Pin Digital de Arduino que se conectan a
C1...................................... 9
C2...................................... 8
C3...................................... 7
C4...................................... 6
C5...................................... 5
C6...................................... 4
R1...................................... 10
R2...................................... 11
R3...................................... 12
R4...................................... 13
GND................................... GDN bueno, duh! = )
================================================================|