










El objetivo de este proyecto es: mostrar el uso del módulo "MAX7219 dot matrix display módulo MCU control de DIY"
En orden para usarlo necesita el módulo que se puede comprar en ebay:
http://www.eBay.com/ITM/171048735052?ssPageName=STRK:MEWNX:IT&_trksid=p3984.m1439.l2649
Y necesita los archivos de las bibliotecas de MaxMatrix (que son 3):
https://docs.Google.com/file/d/0B_YlEklLDDS7MDhRdWJKdmZQTnc/Edit?USP=Sharing
https://docs.Google.com/file/d/0B_YlEklLDDS7WE9lQ1F1aFhnYlE/Edit?USP=Sharing
https://docs.Google.com/file/d/0B_YlEklLDDS7djd5T2JDeFVsaVE/Edit?USP=Sharing
El bosquejo con el código se puede encontrar en el siguiente enlace:
https://docs.Google.com/file/d/0B_YlEklLDDS7WTF0c2hlVzFCZWc/Edit?USP=Sharing
O todos los archivos en GitHub:
https://github.com/Arduinobymyself/Matrix16x8.git
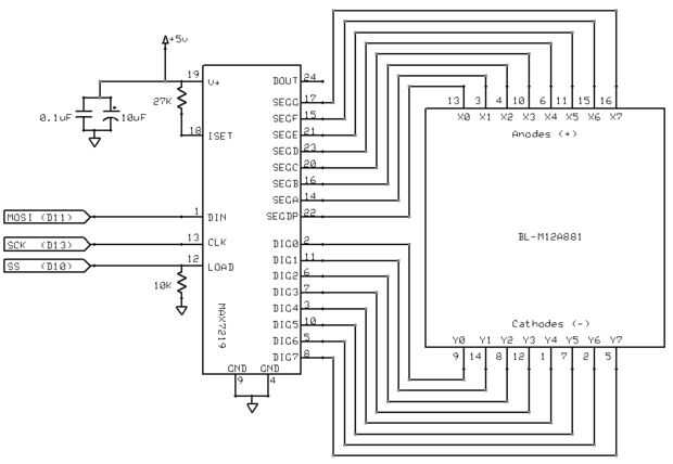
Ver en la imagen adjunta el diagrama de interconexión entre Arduino y módulo MAX7219 (en este caso es usado sólo 2 módulos de MAX7219):
Pin 13 de Arduino (alternativa: pin 10) conectado al pin del módulo MAX7219 de CLK
Arduino pin 11 (alternativa: pin 8) conectado al pin DIN módulo MAX7219
Arduino pin 10 (alternativa: 9 pines) conectado al pin CS módulo MAX7219
GND y VCC (+ 5V)
Para ampliar el número de módulos, sólo debe conectar el pin de la duda de un MAX7219 módulo con la clavija Din del módulo MAX7219 de otro... y así sucesivamente.
El pin MAX7219 duda es en la parte superior del módulo mientras que perno Din el botton del módulo.
Recordar que se pueden conectar los módulos que desee, simplemente conectando la salida de un módulo a la entrada del otro y dejando las otras señales en paralelo.
En el bosquejo, usted debe para modificar el parámetro "maxInUse" por la cantidad de módulos que se utilizarán.
El video es solo demo.
Recuerde que puede modificar los mensajes en el propio código, o usar la consola serie para ingresar el mensaje.
Un segundo vídeo con cuatro módulos MAX7219.
Nuevas características fueron agregadas a este proyecto (en 01 de noviembre de 2014):
1 - 40 x 8 LED de matriz de puntos;
2 - iniciar desplazamiento botón;
3 - potenciómetro de control de velocidad;
4 - control intensidad
Se agregaron algunos botones como se muestra en esquema anterior.
Aquí está el nuevo video mostrando las nuevas características.
http://youtu.be/beo7N1SeYoE?List=UUgx66KiICvaM682IP4u7nng
No dude en enviarme comentarios/preguntas/problemas.
Saludos
Marcelo Moraes
arduinobymyself.blogspot.com.br
arduinobymyself
Skype: marcelo.moraes
La empresa
ArduinoByMyself es una entidad no rentable. Nuestro objetivo es compartir conocimientos y proporcionar SW y HW gratis para todo el mundo. Buscamos una sociedad mejor y por lo tanto, no vendemos los productos pero le damos todo el apoyo para todos los que quieren construir su propio proyecto y damos también soporte para preguntas y problemas que necesitaban.
No hacemos proyectos por pedido pero cada idea es válida y guardada para uso futuro si interesante (técnica y didácticamente hablando).
Hay no hay derechos de autor en nuestros proyectos, puede modificar y utilizar el código y la descripción de cómo hacerlo sin consecuencias jurídicas (que solo te pido que divulgar el blog "ArduinoByMyself" para que otras personas también tienen acceso a la información contenida en él).