Paso 4: Soldar la Junta!














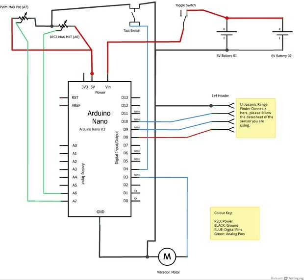
Si hay alguna confusión con respecto a la disposición de circuito por favor abajo del comentario. He incluido el archivo Fritzing [zip], esquema y diagrama de tablero de tira. El archivo fritzing debería ayudar a investigar el diseño mucho más cercano - trató de replicar el diseño en tablero de la tira también, a pesar de mejores intenciones, esto es sucio. También he usado pilas de 9V en el diagrama de diseño no hay 6V baterías en frizting - las pilas de 9v funciona bien pero no cabrán en el tablero (a menos que usted sea creativo...).
Orden de la soldadura:
- Cabeceras de Arduino a la tarjeta (es importante que el arduino no se une a las cabeceras), Nota: lo mejor es soldar el extremo corto de la cabecera, en caso de necesitar altura extra entre la Junta para eliminar cualquier puentes y arduino.
- Los botes y el interruptor del tacto-tenga en cuenta que la posición es diferente de la posición marcada en el paso anterior.
- Soporte de la batería y cabecera recta de 1 x 4
- Una vez hecho esto se marca hacia fuera donde será soldar los cables de puenteo.
- El puente lleva:
- Cabecera recta de 1 x 4 pin digital 8,9,10, GND (VCC, eco, Trig, tierra) de la soldadura
- Portapilas - en paralelo, tierra a tierra, positivo a positivo - Asegúrese de que esta banda está vacía y energía del talud sólo funciona en esta.
- Tierra del interruptor de tacto y digital 4
- Potenciómetros: como que están en una franja común con el interruptor del tacto de tierra esta parte se hace. La soldadura de un pote al pin analógico 6 (A6) y el otro a 7 (A7). La soldadura la tensión a 5v.
- Soldar dos cables en el interruptor, esta se utilizará para llenar la tira positivo de batería con el pin VIN en el arduino. Poner algunas del encogimiento del calor en los terminales del interruptor.
- Motor de la C.C.:
- en la parte trasera, directamente sobre el cobre, azul a GND y el pin rojo a Digital 3.
- Cortar paja de McDonald ' s y luego la cinta asegurándose de que cubra la parte giratoria del motor con bastante paja.
Para terminar el circuito que se necesita para romper las conexiones en el tablero de la tira. Hay dos maneras de hacer esto, lo sucio y lo limpio. Esta es la forma desordenada:
- Una vez que todo se suelda, marcar con un rotulador permanente donde las roturas que ocurren.
- Proceder a cortar las roturas con un par de condensadores de ajuste de plástico, algunas áreas será complicado y delicado - cuidadosamente utilice una cuchilla afilada para esto.