Paso 4: Montar el contador de tiempo


Ahora, simplemente puede activar manualmente los ojos y que se haga llamar. Si, sin embargo, como activar los ojos basados en algún gatillo transitoria, necesitará configurar un temporizador monoestable. Se trata de un temporizador "paso a paso" que se activa para una cantidad determinada de tiempo y luego se apaga.
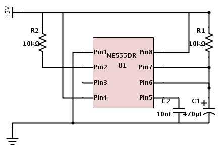
No hay nada especial sobre esta parte del circuito. Es un circuito 555 monoestable típico, que se describe aquí entre muchos otros lugares. Estoy usando el mismo un capacitor de 470uf y un resistor de 10kΩ para activar el temporizador durante unos 5 segundos.
Nota: me di cuenta después de que tomé las fotos, que aún no he conectado los pines 2, 4 y 8 en el riel de 5V. Así que recuerde agregar un puente entre el pin 8 y el riel de 5V.
Puede probar el circuito en este momento conectando el pin 2 del 555 temporizador a tierra. Recuerde, 555 temporizadores desencadenan baja.