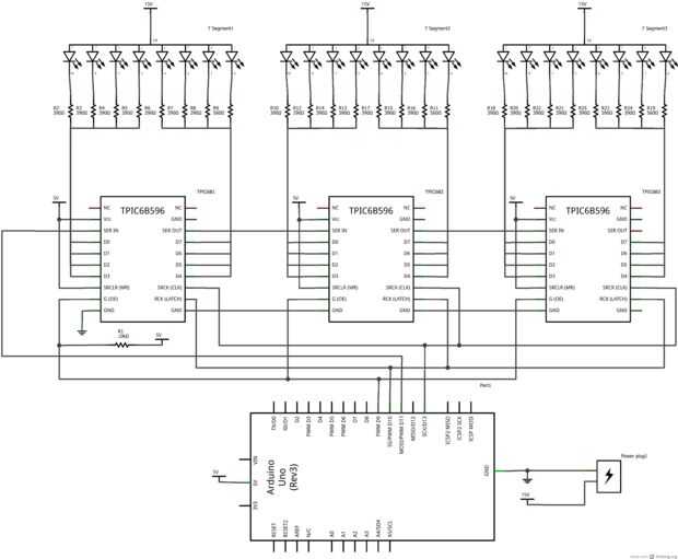
Paso 2: Dibujar el esquema

Antes de comenzar, necesitamos saber lo que hace cada pin del registro de cambio de TPIC6B596 y que se conecta al (también daré alias que usan otros fabricantes):
VCC: fuente de alimentación del chip (se conecta a + 5V)
En SER: la clavija de entrada donde se reciben los datos desde el uController. (Se conecta al pin MOSI o Arduino definidos por el usuario). También conocido como Serial en, SER, MOSI, DIN...
Drenaje de 0 a 7: los pernos donde segmentos pueden conectarse a tierra (se conecta a segmentos A-DP respectivamente). También conocido como fuente/sumidero salidas Qa-Qh, D0-D7...
SRCLR: cuando es alta (+ 5), los datos pueden transferirse para el búfer de salida. Cuando bajo (0V), se borran todos los registros. (Se conecta a Vcc o + 5 siempre es alta). También conocido como Serial claro, MR (master reset)
G(bar): activa/desactiva drenaje pins. Cuando bajo (0V), registro de datos están transparentes para el búfer de salida. Cuando alto (+ 5), drenaje pins están desactivados pero los datos se guardan en el registro de almacenamiento de información. (Se conecta al pin de Arduino con un resistor de pull-up a + 5V. Hacemos esto para asegurar que ninguna basura se verá durante el arranque para arriba.) OE aka (habilitar salida)
SER hacia fuera: el pin de salida donde se transmiten los datos al siguiente registro de desplazamiento (se conecta a SER del siguiente registro de desplazamiento). También conocido como Serial Out, duda, Qh'...
SRCK: el pin donde se recibe la señal de reloj. (Se conecta al pin SCK o Arduino definidos por el usuario y todos los SRCK). También conocido como Serial Clock, CLK, SRCLK
RCK: el pin donde se recibe la señal de cierre. (Se conecta al pin SS o Arduino definidos por el usuario y todos los pines RCK). También conocido como registro reloj RCLK, pestillo, SS, carga, CS
GND: se conecta a tierra (0V). (Nota que hay 3 pernos de la tierra. Puede conectar uno de ellos a tierra como están conectados internamente. Si tienes problemas más tarde, trate de conectar cada uno a tierra). También conocido como 0V, PGND, LGND
Ahora que sabes donde cada pin se conecta con, ahora puede elaborar tu esquema. El esquema que le doy es más simple y más fácil de entender que otros por ahí. Sin embargo, puede que necesite cambiar los valores de resistencia y tensión a los ánodos de la muestra.