Paso 2: circuito




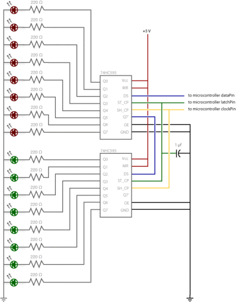
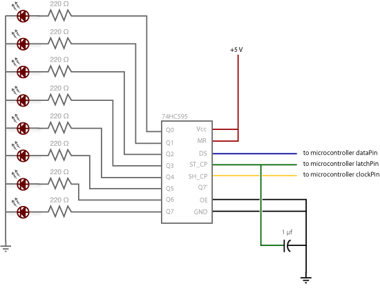
Ver las fotos para mejor claridad de lo que he hecho con este IC. Funcionamiento de todos es a través de algo llamado "comunicación serial síncrona", es decir, puede pulso uno de los pines arriba y abajo de tal modo comunicando un byte de datos al registro poco a poco. Es por pulso segundo pin, el pin de reloj, que delinean entre bits. Esto está en contraste con usando la "comunicación serial asincrónica" de la función Serial.begin() que se basa en el remitente y el receptor para establecerse independientemente a un acuerdo sobre el tipo de datos especificado. Una vez que se transmite el byte entero al registro de los mensajes de alta o baja en cada bit Obten parcelados a cada uno de los pines de salida individual. Esta es la parte de "salida en paralelo", que todos los pernos haga lo que tu quieres hacer todo a la vez.
La parte de "salida de la serie" de este componente proviene de su perno extra que puede pasar el serial información recibida desde el microcontrolador hacia fuera otra vez sin cambios. Esto significa que puede transmitir 16 bits consecutivos (2 bytes) y los 8 primeros atravesará el primer registro en el segundo registro y expresarse allí. Usted puede aprender a hacerlo en el segundo ejemplo. "los 3 Estados" se refiere al hecho de que se pueden definir los pines de salida como sea alto, bajo o "alta impedancia". A diferencia de los Estados alto y bajo, usted puede "t set pins a su estado de alta impedancia individualmente. Sólo puede establecer el chip todo juntos. Esto es algo muy especializado para hacer: pensar en una matriz de LED que deba ser controlada por microcontroladores completamente diferente según un modo específico incorporado en su proyecto. El ejemplo ni aprovecha de esta característica y ganó "t generalmente necesidad de preocuparse por conseguir un chip que tiene. (Fuente: www.arduino.cc)