Paso 1: ¿Qué es la multiplexación?


En un arreglo de multiplexado de LEDs, sólo una fila de LEDs está en un momento dado. Parece que esto sería limitar los tipos de formas podemos mostrar en la matriz de LED, pero realmente no es así. Esto es porque el arduino (o lo que sea es enviar datos a la matriz) es de conmutación a través de cada fila tan rápidamente (cientos o miles de veces por segundo) que no percibimos el parpadeo en y fuera de cada fila consecutiva. Puedes leer más sobre este fenómeno, llamado persistencia de la visión, en la wikipedia.
¿Cómo enviamos datos a una fila a la vez? Si conectamos cinco voltios (rojo) a una fila y conectar a tierra (azul) a los otros tres filas y recorrer cada fila uno por uno, se verá algo como la figura 1. Ahora la imagen que mientras una de las filas está en + 5, conectamos una de las columnas al suelo. Como se muestra en la figura 2, esto hará que el LED en el cruce de la fila de + 5 y GND columna para iluminar. Esta manera, podemos hacer frente a cada uno de los 16 LEDs de la matriz individualmente usando conductores solamente ocho (cuatro para las filas) y cuatro a las columnas.
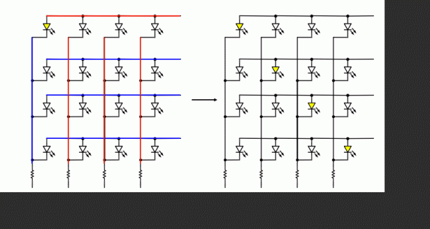
Ahora mire la imagen de abajo. Imaginar si nos muy rápidamente enciende el LED en la esquina superior izquierda (posición 1,1), entonces el LED en (2.2), entonces (3,3) y (4,4), y entre estos cuatro LEDs muy rápidamente (cientos de veces por segundo). Parecerá que los cuatro de estos LEDs son en un mismo tiempo (como se muestra en la imagen derecha de la imagen de abajo). Estudia el siguiente diagrama y convencerse de que esto es cierto.
