Paso 3: esquemas





Fuente de alimentación
Inicialmente esperaba alimentar todo el sistema de 6V con la opción de la utilización de algunas pilas de botón. Sin embargo, al final opté por una fuente de 9V ya que fueron más frecuentes y me permitieron poner 2 LEDs en serie para reducir mi sistema actual. Utilicé un regulador de 5V básica (para el suministro de micro controlador) con mucho extra filtrado en la entrada porque estaba manejando el circuito de audio directamente desde los 9V.
Entrada de audio
Sólo tenía un altavoz pero yo quería ser capaz de reproducir dos canales de audio en él. Después de algunas investigaciones, encontré que la mayoría de dispositivos debe ser capaces de manejar sólo si se cortocircuitan las dos entradas pero es mejor añadir algo de resistencia. Me conformé con 47ohms (quería ser más o menos a la par con impedancia de auriculares que mi dispositivo esperando) y parecía funcionar bien.
Amplificador de audio
He modificado mi circuito amplificador básico original para hacer un poco más robusto. Esta configuración se toma del datasheet del LM386 y funciona bien. Aviso la capacitancia adicional en el suministro de pin-it es muy importante tener cierta capacitancia muy cerca de este pin en tu tablero.
Circuito de control
Después de mucha deliberación acerca de las características que quería implementar decidí que necesitaba tres canales PWM (para los tres canales de LED) e i/os digitales dos-el ATTINY85 que había trabajado con antes tendría suficientes puertos, y puede ser programado usando el medio ambiente y las bibliotecas de arduino. El sensor de contacto es simplemente una placa de metal.
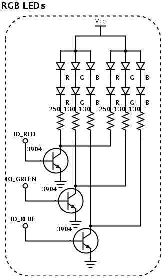
Circuito de LED
Inicialmente tenía tres sistemas de LEDs RGB en paralelo, conducido por el 3904s. Después del primer prototipo que decidí agregar un cuarto LED y topa para arriba la tensión de alimentación a 9V por lo que pude colocar dos de ellos en serie. Nota: tuve que ordenar nuevos LEDs para esto porque los que compré inicialmente eran ánodo común que me impedía ser capaz de controlar los tres canales cuando se cablean en serie, así tenlo en cuenta si usted está planeando en hacer algo similar.