Paso 5: Diagrama del circuito




Esta esquemas dan la breve descripción de las conexiones a realizar entre todos y cada uno de los componentes de este proyecto.
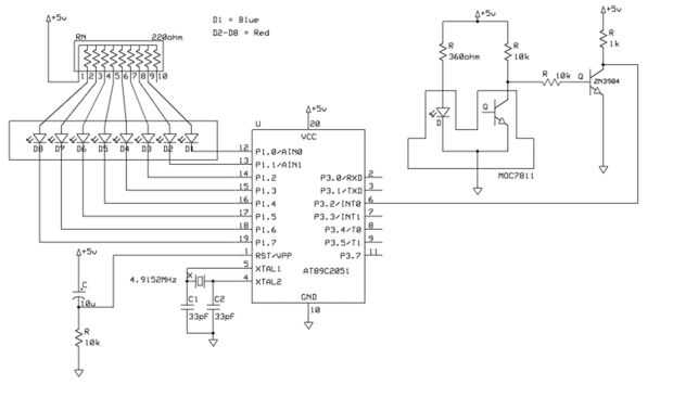
Al hacer las conexiones para el LED Asegúrese de que está conectando el terminal derecho, me refiero a si la programación es en lógica positiva entonces todo el ánodo debe conectarse en los pines del microcontrolador a través del resistor y el cátodo está conectado a todos cátodo del LED debe conectarse a tierra lo contrario como la lógica negativa en mi programación que necesitamos para conectar el terminal de ánodo de todos LED de juntos y el cátodo necesita conectarse a cada respectivo pernos del microcontrolador a través del resistor.
Poder de microcontroler se puede dar de 2 formas.
- Podemos colocar una batería de 9 voltios sobre el módulo de rotación y conectar el regulador de voltaje para caer el voltaje a 5 voltios para microcontrolador
- Podemos tener un arreglo como un cepillo de un motor que constantemente se desliza sobre conmutador para proporcionar energía a las bobinas del mismo modo todo el módulo puede montarse sobre un volante metálico y un alambre de la fuente de alimentación principal puede deslizar sobre el volante para proporcionar energía tho el módulo microcontrolador.
Creo que la segunda opción más fructífera como añadir que una batería en el módulo puede causar en el peso adicional que también puede causar disminución de la velocidad como la pantalla de la hélice puede proporcionar un image(display) fuerte a alta velocidad.