Paso 2: Cableado de tablero de juego






LED
Inserte el 36 LEDs de RGB ánodo común en los orificios hasta que hacen contacto con la cama de acrílico. Si los orificios son de gran tamaño puede poner un poco de pegamento caliente sobre el LED para sostenerla en lugar. Conectar el ánodo, terminales rojas, azul y verdes de 4 LEDs en cada juegan de cuadrados. Vamos conectar 4 LEDs en paralelo a las salidas del registro de desplazamiento. Los terminales de ánodo común pueden ser conectados a través de todos los cuadrados de juego 9 a 1 pequeño perfboard. El conjunto de superficie de juego finalmente incluye un cable de cinta con más de 5V, GND, datos, reloj, pestillo, 5V + y señal de las conexiones.
Registro de desplazamiento y Perfboards
Soldar cada uno de los 4 registros de cambio de TLC5916 a su propio perfboard. Soldar una resistencia de 1K OHM al pin Rext del registro. Cada registro de desplazamiento tiene poder en 2 argumentos, datos, cierre, reloj, una resistencia única a control actual que se hunde, y controlable de 8 salidas. El beneficio de utilizar un cambio de registro, y a su vez múltiples cambio de Margarita registra, es que puedo controlar cientos de LEDs con sólo 3 pines en un Arduino Uno. Puede sonar complicado pero finalmente caminaremos a través de eso.
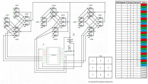
Cada plaza de juego de los 9 total requerirá de 3 salidas (RGB) de un registro de cambio. Esto significa 27 salidas totales. Así un total de al menos 4 registros de desplazamiento. Los registros de cambio serán conectados por la imagen adjunta. El primer esquema que se muestra es un ejemplo del primer registro al primer 3 juego plazas. Puesto que existen 9 conexiones led y solo 8 salidas disponibles en este registro de desplazamiento, el siguiente registro de desplazamiento manejará el LED azul de juego cuadrado 3.
El esquema mucho más grande muestra el cableado para todos los 4 registros. Puede ser confuso al principio pero no demasiado difícil. Sólo espero que disfruteis de soldadura! Como se puede ver en las ratas nidifican de cables que surgió de que yo no soy el mejor en diseños pero también no tenía una tonelada de este cable de conexión de calibre disponible. Usé dupont puentes para hacer un montón de él.
Botones
Los pulsadores se puede manejar un número de maneras. Un método es comprar un registro de desplazamiento entrada y alambre mucho la misma manera como el LED cambia registros o alambre cada botón a entradas de Arduino. Una forma más sencilla es utilizar caídas de tensión en resistencias. En el botón adjunto esquemático se puede ver que existe una resistencia de 100 Ohm entre cada botón. Esto significa que si golpear el botón 9 el voltaje va a caer a través de resistencias de Ohm 8 100 antes de que el voltaje es leído por el Arduino. Inversamente el no caída de voltaje en todos si golpear el botón 1.