Paso 2: resistencias




Resistencias son parte integral de la ingeniería eléctrica ya que proporcionan una determinada cantidad de resistencia eléctrica. Pueden reducir el flujo de electrones. ¿Qué significa esto? Esto significa que resistencias pueden limitar la corriente y caída/reducir voltaje.
En primer lugar, la resistencia se mide en ohmios. Para leer la resistencia de un resistor que necesitamos mirar las bandas de color en el dispositivo. Utilice este recurso para aprender a utilizar una

para determinar el valor de una resistencia. También puede usar una calculadora de resistencia en línea para encontrar rápidamente el valor. Tome un momento para tratar de determinar la resistencia de la resistencia en la primera foto... 200K ohmios = 200.000 ohmios.
Ahora permite pasar a la división/reducción actual de la limitación y la tensión. La relación entre voltaje, corriente y resistencia se basa en la ley de ohm: voltaje = corriente * resistencia. La siguiente simulación muestra algunos ejemplos de cómo Ley del ohmio puede explicar la capacidad de la resistencia para limitar la corriente y voltaje la gota.
- La izquierda más circuito limita el flujo de corriente en el circuito. La tensión en la resistencia de 9V y el resistor tiene un valor de 330 ohmios. Usando la ley de ohm: 9 = corriente * 330 -> corriente = 0,027 amperios. Si tuviéramos que reducir la resistencia de 100 ohmios entonces obtendríamos 9 = corriente * 100 -> corriente = amperios 0,09. Cuanto mayor sea la resistencia, menos corriente.
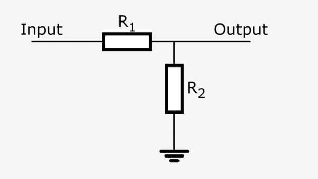
- El circuito del medio se llama un divisor del voltaje. Basado en los valores de resistencia, las resistencias de entre los dos nodos (la salida) tendrán una tensión menor que la tensión de 'entrada'. La última foto en este paso muestra un divisor del voltaje. La tensión de salida puede ser modelada por esta ecuación: (voltaje de salida) = (voltaje de entrada) * (R2/(R2+R1)). Es importante tener en cuenta que un divisor del voltaje no regula el voltaje. Al dibujar un montón de corriente desde el nodo de salida, esta ecuación no tiene. Si es dibujo de menos de 1 mA entonces usted puede utilizar esta ecuación para determinar la tensión entre las dos resistencias.
- El circuito más adecuado es un potenciómetro. Este potenciómetro es un divisor de voltaje variable. Ajustando el dial cambia la resistencia del divisor de voltaje. El perno medio equivale a la salida del circuito de mediano.
Pueden poner resistencias en serie (uno tras otro para las resistencias a añadir), o en paralelo (justo al lado del otro, superior lleva conectado, plomos de fondo conectadas) para reducir la resistencia. Utilice esta

para calcular la resistencia en serie y en paralelo.