Paso 6: Tratamiento de señal







(Figura leyendas: (1) esquema general de etapas 1-3 de un solo canal, incluyendo basar diodos y voltaje divisores de que proporcionan referencias para cada etapa., (...) Circuito sub secciones.)
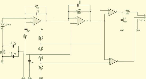
Ahora voy a describir el "flujo" de la señal de detección de uno de los cuatro canales desde su creación a adquisición digital. La única señal de interés se origina de los fotodiodos. Estos sensores son inversos parciales, como explicado anteriormente. La fuente de "bias" es una estable 12V que funcionó a través de un filtro de paso bajo para eliminar cualquier ruido no deseado/jitter de ~ f > 1Hz. Sobre la ionización de la región de agotamiento, en los pines del diodo se crea un pulso de carga. Esta señal es recogida por nuestra primera etapa de amplificación: el amplificador de carga (figura azul claro).
Un amplificador de carga (figura púrpura) se puede hacer con cualquier amplificador operacional, sino especificación de bajo nivel de ruido es muy importante. El objetivo de esta etapa es convertir el pulso de carga detectado en la entrada inversora, a un voltaje de DC en la salida del op-amp. El no invertir es filtrado y ajustar a un divisor de tensión en un conocido y elegido nivel. Esta primera etapa es difícil de afinar, pero después de numerosas pruebas colocó un capacitor de realimentación de 2 [pF] y una resistencia de retroalimentación de 44 [MOhm], dando por resultado un pulso de 2 × [pF] 44 [MOhm] = 88 [μs].
Un inversor activo bandpass filtro amplificador (figura naranja), que actúa como un elemento diferenciador, sigue el amplificador de carga. Esta etapa filtra y convierte el nivel de DC de conversos, que emana de la etapa anterior en un pulso con una ganancia de 100. La señal del detector crudo es sondada a la salida de esta etapa.
A continuación en línea son los canales de señal y ruido (figura verde). Estas dos salidas ir directamente a la DAQ, así como el segundo analógico PCB. Ambos funcionan como comparadores amplificadores operacionales. La única diferencia entre ambos es que el canal de ruido tiene un voltaje inferior es no invertir entrada que el canal de la señal, y el canal de la señal también se filtra para eliminar las frecuencias del pulso de salida esperada de la segunda etapa de amplificación. Un op-amp LM741 actúa como un comparador contra un umbral variable para discriminar el canal de señal que el detector envíe sólo seleccionarlos eventos para el ADC/MCU. Una resistencia variable en la entrada de no inversión establece el nivel de activación.
El siguiente es el de contador de coincidencia (figura roja). Aquí, las señales de cada canal se alimentan a un amplificador operacional que actúa como un circuito sumador. Se establece un umbral fijo coincidiendo con dos canales activos. El op-amp salida alta si dos o más, fotodiodos registrar simultáneamente un golpe.
Finalmente, la figura azul es al circuito de potencia. Sin embargo, cometí un error fundamental al poner el convertidor de DC/DC elevador de tensión de la corriente "bias" cerca de las carga sensible op-amps en la amplificación de PCB. Tal vez lo arreglare en una versión posterior.