Paso 3: Montaje y código



Comenzaremos utilizando un arduino para programar el chip AtMega. A continuación está el código completo para leer los datos del acelerómetro y escribir en la tarjeta sd. Tutorial de Arduino hace un trabajo excelente de caminando a través del proceso de programación del chip. En este caso utilizaremos el reloj interno de 8MHz. Con ningún retraso en el código, la unidad será escribir datos en la tarjeta en 30-40Hz. Una vez este programado el chip podemos centramos en armar el circuito.
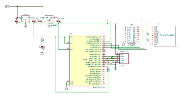
El circuito consta de cuatro partes: el regulador de voltaje, el acelerómetro, el micro controlador y la tarjeta de memoria.
El regulador de voltaje estará compuesto de un regulador de 5v para alimentar el micro controlador, una 3.3v regulador para la sd card, acelerómetro y proporcionan una referencia para que el micro controlador y algunos condensadores (caps) filtrar cualquier fluctuaciones en el voltaje que ingresa y que sale de los reguladores. Para soldar estos componentes es bastante sencillo, sólo tener en cuenta que el pinout es diferente entre los dos reguladores y Compruebe la polaridad de los casquillos antes de soldar.
Montaje del acelerómetro incluye acelerómetro y dos tapas. Elegí no filtrar el eje z como no estoy tomando cualquier medida diferente frecuencia de paseo con este eje. Si desea buscar la hoja de datos de acelerómetro da valores de capacitancia a una frecuencia determinada de frecuencias específicas. No olvide conectar los 3,3 v línea, no la línea de 5v en el sensor.
El micro controlador de soldadura puede parecer intimidante, sin embargo tenga en cuenta que no usaremos todos los pernos. Preste especial atención cuando realice las conexiones en este paso como el micro controlador puede dañarse fácilmente si se envía energía a los pernos mal. También recomiendo tomar grasa dieléctrico y las ranuras de la clavija en la toma de la capa. Esto hace mucho más fácil de instalar y quitar el chip y reduce la probabilidad de que se dañe en el proceso (en realidad he tenido las ranuras de sacar de la toma sin la grasa)!.
Finalmente, es el circuito de la tarjeta de memoria. Esto se aplica al resto del circuito, pero sobre todo al tratar con la tarjeta de memoria Mantenga los cables lo más cortos posible. He encontrado que esta parte del circuito es muy sensible al ruido y se acto para arriba si hay cualquier cuestionable soldadura de conexiones, cables excesivamente largos o cualquier otra cosa que podría introducir ruido en el circuito. Así que ir lento y comprobar cada conexión que vaya.