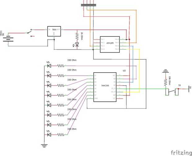
Paso 4: esquema

En la imagen adjunta, verá el esquema que hice para este circuito. Para simplificar voy a explicar en tres partes:
1. regulador de voltaje
2. los LEDs y 74HC595
3. la HC-SR04
El circuito para el regulador de tensión es hacia adelante. Sólo tienes que hacer es conectar el terminal positivo de la batería al VIN (en tensión) y la tierra a la terminal negativa. (Asegúrese de conectar un interruptor de dos vías antes como un interruptor ON/OFF). Usted puede agregar dos condensadores para alisar hacia fuera la corriente por el regulador de tensión, pero que no es necesario en este circuito.
Para el 74HC595, conectar el reloj al pin físico de attiny 5 y la línea de datos con conector de 6. Entonces todas las salidas del cambio de registro conductores positivo del LED (a través de resistencias de 330 ohmios). Para el pin de "cierre" en el registro de desplazamiento, que vamos a conectar un botón. Esto es para que cuando el usuario quiere saber la distancia, que será trabado hacia fuera cuando se presiona el botón. (Nos salva pernos sobre el attiny). Por lo que ataremos un botón (que está conectado a tierra a través de una resistencia de ohmio 10 k) que cuando presiona está conectado a 5v.
La HC-SR04 sólo tiene cuatro clavijas que preocuparse. Conectar la tierra a tierra y VCC de 5v. Luego conecte el TRIG pin a pin físico de attiny 7 y el eco 3 pin a pin.
Cuando haya terminado de implementar el circuito en este esquema, puede cargar el código que se muestra en el siguiente paso!