Paso 4: Fuente de alimentación, hardware de controlador y conectar todo junto










El circuito esquemático es cargado como un cuadro anterior.
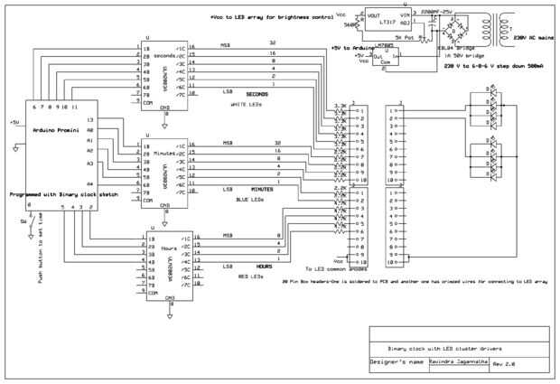
Para la fuente de alimentación usé un 230 existentes al 6-0-6v paso abajo transformador junto con un rectificador de Bridge 1A 50 V y una 2200 μF 25V condensador de suavizado. Aquí tuve exceso regulador chips, utilicé LM 317 y 7805 LED Voltaje de conducción y el Arduino respectivamente. Sé que podría haber usado mosfets etc. para controlar los LEDs pero quería usar lo que estaba disponible. Idea de 317 regulador de voltaje variable es crudamente controlar el brillo del LED usando la tensión de salida con la ayuda del pote de 5 K. Desde > 12 voltios DC crudo rectificado no quería arriesgar la placa Arduino con este alto voltaje (a través de la clavija de alimentación cruda) y puesto que el voltaje cae hasta 1,2 voltios min en posición extrema del potenciómetro, que no va a funcionar Arduino, utilicé un regulador en paralelo (7805) para la constante regulada de 5 V para la placa Arduino.
Ya que tenía planes más adelante a utilizar lámparas o carga más grande en vez del clúster LED 4, quería futuro prueba el circuito. Algunos restos NPN darlington ICs (ULN 2003A) estaban disponibles, hice uso de ellos con un chip para hora minuto y segundo pasadores. (cada ULN 2003A tiene 7 pares de darlington dentro, usé 6 en dos fichas para segundos y minutos y 4 horas). Ver esquema para más detalles.
Puesto que se aplica el mismo voltaje es común en todos los LEDs y aquí estamos utilizando tres colores, voltajes de la impulsión será diferentes para diverso color LED y corrientes también serán diferente. Ejecute un pequeño experimento en un tablero de pan para montar los 3 diferentes LEDs de color (no las que ya soldadas pero de un mismo lote) y usando diferentes valores de resistencia limitadora actual, los mejores valores de resistencia para asegurar que no hay uniformidad en los niveles de brillo para una tensión dada (el mejor probar en el máximo voltaje de 12 voltios con la fuente de alimentación diseñada). He derivados de los valores de resistencia en circuito basado en mis experiencias.
Soldar todos los componentes en una PCB de propósito general ya que es bastante simple circuito a montar. Comenzó con bases IC y resistencias (poco torpes ya que necesitaba alinear resistencias de 1/2 watt a los encabezados de 20 pines de soldadura. Más tarde completado todas las conexiones y cableado según el diagrama esquemático. Ver fotos de arriba. Separado el tablero de la fuente de alimentación con puente rectificador, condensador de filtro y 2 regulador de voltaje ICs para la flexibilidad en la fijación en un recinto y modularidad utilizado PCB encabezados con terminales de tornillo de utilidad más adelante.
Estoy aún para ponerlo en un buen gabinete y concluir el proyecto :)
A actualizar las fotos de la final de caja poco
¡ Feliz año 2016!