Paso 3: Añadir los motores

Para controlar motores de un PIC (u otro microcontrolador) se debe utilizar un puente H (http://en.wikipedia.org/wiki/H-bridge). Usted puede construir sus propio usando transistores o puede comprar un puente h IC.
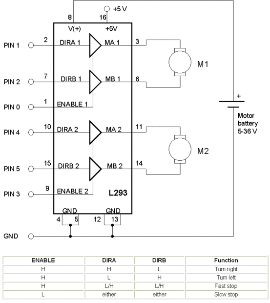
Utiliza un IC de puente H L293 para conducir los motores, es un agradable IC pequeño y sencillo. Consulte el diagrama a continuación para el funcionamiento de lo IC.
Como se puede ver en la tabla de abajo el diagrama, todos tu foto tiene que hacer para controlar el motor es cambiar los Estados de alta y baja en los pernos DIRA1 y DIRB1 para controlar el motor A y las patillas DIRA2 y DIRB2 para controlar el motor B.
Cerciórese de poner un condensador entre los motores de alimentación y tierra. Debe utilizarse una fuente de alimentación diferente (mayor tensión) de la que suministra su PIC para los motores. Sin embargo, los motivos deberían compartirse entre las fuentes de alimentación de dos.
Porque los motores pueden causar picos de tensión cuando enciende y apaga, asegúrese de poner un condensador entre la potencia de los motores y la tierra. También poner un casquillo entre la alimentación PIC y la tierra.